Trang chủ > Các sản phẩm > bu lông > Bu lông chìm > Bệp cổ phẳng thấp
        Bệp cổ phẳng thấp
        • Bệp cổ phẳng thấpBệp cổ phẳng thấp
        • Bệp cổ phẳng thấpBệp cổ phẳng thấp
        • Bệp cổ phẳng thấpBệp cổ phẳng thấp

        Bệp cổ phẳng thấp

        Các bu lông cổ vuông phẳng thấp được sản xuất bởi Xiaoguo® rất mạnh và bền. Chất lượng sản phẩm của chúng tôi được đảm bảo. Chúng tôi có thể tùy chỉnh bu lông theo nhu cầu cụ thể của bạn. Bạn chỉ cần cung cấp bản vẽ sản phẩm hoặc kích thước và vật liệu của các sản phẩm, v.v.
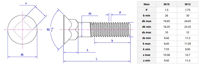
        Người mẫu:DIN 608-1981

        Gửi yêu cầu

        Mô tả Sản phẩm

        Đầu củaBệp cổ phẳng thấplà phẳng và có thể được nhúng hoàn toàn trong vật liệu để làm cho bề mặt phẳng. Phần cổ vuông tương đối thấp, khoảng một nửa chiều cao của cổ vuông thông thường và được đưa vào các lỗ vuông của vật liệu để ngăn chặn xoay.

        Flat countersunk low square neck bolt

        Chi tiết sản phẩm

        Bu lông có thể được sử dụng để bảo đảm các sàn gỗ trên tàu. Bạn có thể sử dụng chúng để sửa sàn gỗ tếch vào khung thép, với đầu được nhúng hoàn toàn trong gỗ để ngăn chặn vấp ngã. Bu lông được khóa trong lỗ khung thép để ngăn chặn xoay khi được thắt chặt từ bên dưới boong tàu. Điều này có thể ngăn gỗ đắt tiền bị hư hại và tạo ra một bề mặt đi bộ mịn màng và an toàn mà không bắt được sợi dây.


        CácBệp cổ phẳng thấpCó thể đảm bảo các tấm đá nặng đến khung kim loại. Các bu lông có thể được nhúng hoàn toàn trong các rãnh đá được khoan trước và ẩn hoàn toàn. Các bu lông cổ vuông có thể được chèn vào các rãnh khung. Điều này không chỉ có thể mang trọng lượng của đá mà còn giữ cho ngoại hình gọn gàng và sẽ không được nới lỏng do chuyển động lâu dài của tòa nhà.

        Thông số sản phẩm


        Flat countersunk low square neck bolt

        Tính năng sản phẩm

        CácBệp cổ phẳng thấpngắn hơn cổ vuông thông thường và phù hợp để sử dụng trên vật liệu mỏng. Ví dụ, khi lắp đặt hộp phân phối làm bằng các tấm kim loại mỏng, cổ vuông thấp có thể được đưa vào các lỗ vuông của tấm, không giống như cổ vuông thông thường có thể xuyên qua tấm và ảnh hưởng đến dây điện ở mặt sau. Khi cài đặt các bộ phận nội thất xe hơi, họ có thể tiết kiệm không gian.


        Thẻ nóng: Bách cổ bằng phẳng thấp, Trung Quốc, nhà sản xuất, nhà cung cấp, nhà máy
        Danh mục liên quan
        Gửi yêu cầu
        Xin vui lòng gửi yêu cầu của bạn trong mẫu dưới đây. Chúng tôi sẽ trả lời bạn trong 24 giờ.
        X
        Chúng tôi sử dụng cookie để cung cấp cho bạn trải nghiệm duyệt web tốt hơn, phân tích lưu lượng truy cập trang web và cá nhân hóa nội dung. Bằng cách sử dụng trang web này, bạn đồng ý với việc chúng tôi sử dụng cookie. Chính sách bảo mật
        Từ chối Chấp nhận