Bu lông lục giác có mặt bích
        • Bu lông lục giác có mặt bíchBu lông lục giác có mặt bích
        • Bu lông lục giác có mặt bíchBu lông lục giác có mặt bích
        • Bu lông lục giác có mặt bíchBu lông lục giác có mặt bích

        Bu lông lục giác có mặt bích

        Các bu lông lục giác có mặt bích do Xiaoguo® sản xuất được khách hàng trên toàn thế giới tin tưởng. Kiểm soát chặt chẽ đã được thực hiện trong suốt quá trình sản xuất. Nếu bạn muốn hỏi về giá cả, xin vui lòng liên hệ với chúng tôi.
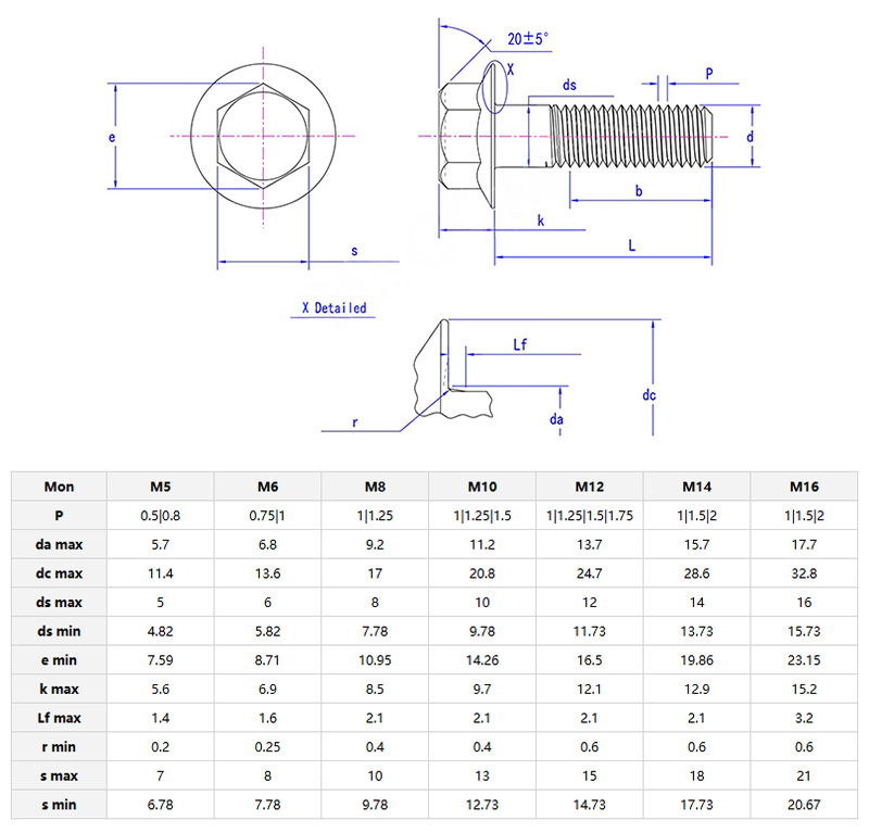
        Người mẫu:ISO 15071-1999

        Gửi yêu cầu

        Mô tả Sản phẩm

        Dướibu lông lục giác với mặt bích, có mặt bích giống như cái đĩa. Nó cho phép bu lông đóng một vai trò đặc biệt khi kết nối mọi thứ. Loại bu lông này có thể đóng vai trò ở nhiều nơi có yêu cầu kết nối tương đối cao.

        Hexagon Bolts With Flange

        Ứng dụng và thông số

        Bu lông lục giác có mặt bíchcó thể ngăn chặn mưa và rỉ sét. Việc xử lý bề mặt mạ kẽm nhúng nóng cho phép chúng được sử dụng làm hàng rào, nhà kho hoặc khung sân thượng. Các tấm mặt bích có thể ngăn bu lông bị kẹt trong gỗ hoặc kim loại mỏng và không cần xử lý đánh bóng. Chúng thích hợp cho các tòa nhà sân sau.

        Được sử dụng trong các xưởng và trang trại bụi bặm. Mặt bích răng cưa có thể giữ chắc khớp rỉ sét và đầu lục giác sẽ không rơi ra ngay cả khi chịu mô-men xoắn cao. Chúng có thể được sử dụng trong máy kéo, hầm chứa ngũ cốc và kệ hạng nặng.


        Cấu trúc tấm mặt bích dày được tích hợp ởbu lông lục giác có mặt bích, kết hợp các đặc tính dẫn động của đầu lục giác với chức năng phân tán tải trọng dọc trục. Lấy động cơ công nghiệp làm ví dụ. Các rung động tạo ra trong quá trình vận hành có thể dễ dàng gây ra hiện tượng mài mòn hoặc suy giảm tải trọng trước của các ốc vít truyền thống. Bu lông mặt bích đầu lục giác có thể ngăn chặn hiệu quả việc truyền năng lượng rung đến giao diện kết nối thông qua tác dụng giảm chấn của tấm mặt bích và tối ưu hóa sự phân bố áp suất trên bề mặt tiếp xúc.

        Hexagon Bolts With Flange

        Điểm bán sản phẩm

        Điểm bán hàng lớn nhất củabu lông lục giác với mặt bíchlà kết nối ổn định và nó có thể phân tán áp lực một cách hiệu quả. Chúng làm tăng diện tích tiếp xúc với các vật thể được kết nối. Khi siết chặt, lực có thể được phân bố đều, giúp kết nối chắc chắn hơn và giảm hư hỏng cho vật liệu. Nó có khả năng chống rung mạnh hơn.


        Thẻ nóng: Bu lông lục giác có mặt bích, Trung Quốc, Nhà sản xuất, Nhà cung cấp, Nhà máy
        Danh mục liên quan
        Gửi yêu cầu
        Xin vui lòng gửi yêu cầu của bạn trong mẫu dưới đây. Chúng tôi sẽ trả lời bạn trong 24 giờ.
        X
        Chúng tôi sử dụng cookie để cung cấp cho bạn trải nghiệm duyệt web tốt hơn, phân tích lưu lượng truy cập trang web và cá nhân hóa nội dung. Bằng cách sử dụng trang web này, bạn đồng ý với việc chúng tôi sử dụng cookie. Chính sách bảo mật
        Từ chối Chấp nhận