NTE nylon chèn đai ốclà một dây buộc tự khóa với cổ áo nylon trong các luồng bên trong. Khi nó được vặn vào bu lông, nylon khóa các sợi và đai ốc không có khả năng lỏng lẻo dễ dàng khi có rung hoặc chuyển động.

CácNTE nylon chèn đai ốcđược làm bằng các vật liệu như thép mạ kẽm hoặc thép không gỉ, nó được thiết kế cho máy móc, phương tiện hoặc thiết bị nơi độ tin cậy quan trọng. Không giống như các loại hạt thông thường,NTE nylon chèn đai ốcKhông có yêu cầu thêm vòng đệm khóa hoặc chất kết dính, nó tự khóa. Nó rất đơn giản để cài đặt, tái sử dụng (trong giới hạn) và hoạt động trong cả thiết lập công nghiệp và sửa chữa hàng ngày.
Sử dụngNTE nylon chèn đai ốcđể bảo đảm các bộ phận lắc hoặc di chuyển. Ví dụ: Chốt chân xe máy, giữ các con lăn băng chuyền tại chỗ hoặc lắp ráp ghế văn phòng với các bộ phận có thể điều chỉnh. Nó cũng tiện dụng cho các thiết bị ngoài trời như xe kéo vườn hoặc giá đỡ xe đạp, nơi va chạm và thời tiết có thể nới lỏng các loại hạt tiêu chuẩn. Trong các hội thảo tại nhà, nó rất tuyệt vời để sửa chữa các bảng chao đảo hoặc đảm bảo các thành phần công cụ năng lượng rung động trong quá trình sử dụng.
Bạn sẽ thấyNTE nylon chèn đai ốcTrong sản xuất ô tô (gắn động cơ, các bộ phận treo), hệ thống HVAC (đảm bảo cánh quạt hoặc ống dẫn) và hàng tiêu dùng như máy giặt hoặc xe đạp tập thể dục. Nó cũng phổ biến trong máy móc nông nghiệp, xe đạp và lắp ráp điện tử ở mọi nơi hoặc điều chỉnh thường xuyên có thể nới lỏng các loại hạt thông thường.

| Chợ |
Tổng doanh thu (%) |
| Bắc Mỹ |
14 |
| Nam Mỹ |
10 |
| Đông Âu |
16 |
| Đông Nam Á |
10 |
| Trung Đông |
7 |
| Đông Á |
17 |
| Tây Âu |
12 |
| Nam Á |
6 |
| Thị trường trong nước |
8 |
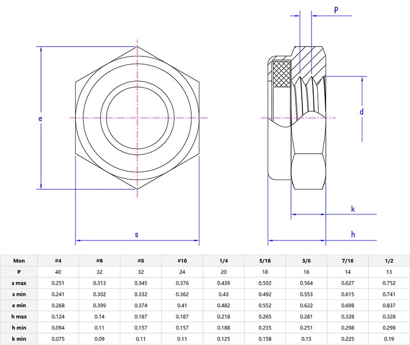
Xiaoguo® có thể tùy chỉnhNte nylon chèn đai ốc khóacho bạnbu lông. Hình dạng hình lục giác củahạtPhù hợp với một cờ lê tiêu chuẩn, và nylon bên trong có khả năng chống mài mòn. Chúng tôi có thể cung cấp các mẫu và bạn có thể kiểm tra xem các mẫu miễn phí đáp ứng nhu cầu của bạn trước khi đặt hàng lớn.