Trang chủ > Các sản phẩm > Hàn hạt > Vít hàn > Vít hàn chiếu đáy
        Vít hàn chiếu đáy
        • Vít hàn chiếu đáyVít hàn chiếu đáy
        • Vít hàn chiếu đáyVít hàn chiếu đáy
        • Vít hàn chiếu đáyVít hàn chiếu đáy

        Vít hàn chiếu đáy

        Vít hàn chiếu đáy có thể được hàn chắc chắn lên bề mặt kim loại. Nó có ren ở phía trên và có thể được sử dụng để kết nối các bộ phận. Chúng thích hợp cho máy móc hạng nặng, kết cấu thép hoặc thiết bị công nghiệp đòi hỏi sự cố định chắc chắn và lâu dài. Công ty Xiaoguo® cung cấp các lựa chọn thiết thực.
        Người mẫu:QC/T 598-1999

        Gửi yêu cầu

        Mô tả Sản phẩm

        Đầu vít hàn chiếu đáy có dạng hình tròn và có các điểm hàn nhỏ. Vít có dạng hình trụ, bề mặt được khắc các đường ren đều và mảnh. Chúng có nhiều kích cỡ khác nhau để bạn lựa chọn.

        Ứng dụng

        Vít hàn chiếu được sử dụng trong trang trí xây dựng. Trong trang trí nội thất, những chiếc bu lông này được sử dụng để cố định cửa ra vào và cửa sổ, tấm trang trí, dầm trần và các bộ phận khác; ở một số bộ phận kết nối nhỏ của tòa nhà kết cấu thép, chúng cũng có thể được sử dụng để kết nối. Chúng rất thuận tiện.

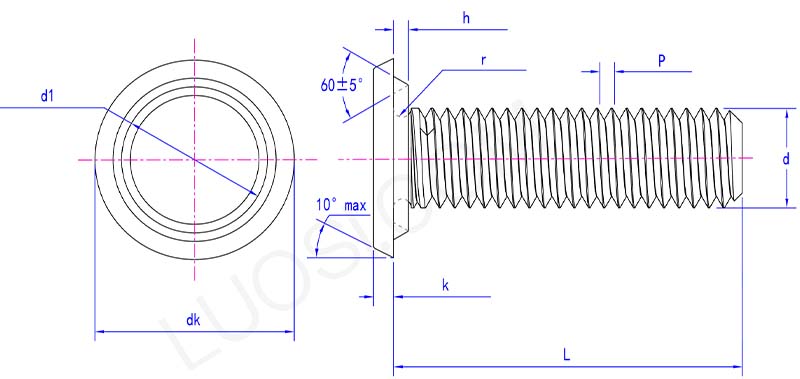
        bottom projection weld screws parameter

        Thứ hai
        M4 M5 M6 M8 M10 M12
        P
        0.7 0.8 1 1.25 1.5 1.75
        dk tối đa
        11.5 12.5 14.5 19 21 24
        dk phút
        11.23 12.23 14.23 18.67 20.67 23.67
        k tối đa
        2 2.5 2.5 3.5 4 5
        k phút
        1.75 2.25 2.25 3.25 3.75 4.75
        r phút
        0.2 0.2 0.3 0.3 0.4 0.4
        d1 tối đa
        8.75 9.75 10.75 14.25 16.25 18.75
        d1 phút
        8.5 9.5 10.5 14 16 18.5
        h tối đa
        1.25 1.25 1.25 1.45 1.45 1.65
        giờ phút
        0.9 0.9 0.9 1.1 1.1 1.3

        Vít hàn chiếu đáy cũng được sử dụng trong ngành sản xuất cơ khí. Chúng được áp dụng cho việc lắp ráp chung các thiết bị cơ khí, chẳng hạn như việc kết nối các bộ phận trong máy móc, dụng cụ nhỏ, đảm bảo mỗi bộ phận của máy luôn ở vị trí cố định trong quá trình vận hành và hoạt động ổn định.

        Vít hàn chiếu này được sử dụng trong việc lắp ráp các thiết bị điện tử. Đối với các kết nối của một số vỏ thiết bị điện tử và các giá đỡ bên trong có yêu cầu cao về hình thức và cần độ bền siết chặt nhất định thì loại bu lông này khá phù hợp. Nó đảm bảo kết nối ổn định mà không ảnh hưởng đến hình thức bên ngoài của thiết bị.

        Tính năng sản phẩm

        Các vít hàn chiếu phía dưới có bề mặt tương đối nhẵn sau khi lắp đặt nên ít gây trầy xước cho người hoặc vật khác. Các điểm hàn trên đầu có thể được sử dụng để hàn trướccái chốttới một thành phần cụ thể, tạo điều kiện thuận lợi cho việc lắp ráp tiếp theo. Độ chính xác của ren cao, cho phép nó khớp chặt với đai ốc phù hợp, mang lại hiệu quả buộc chặt đáng tin cậy và duy trì hiệu suất kết nối tốt ngay cả sau nhiều lần tháo và lắp lại.


        Thẻ nóng: Vít hàn chiếu đáy, Trung Quốc, Nhà sản xuất, Nhà cung cấp, Nhà máy
        Danh mục liên quan
        Gửi yêu cầu
        Xin vui lòng gửi yêu cầu của bạn trong mẫu dưới đây. Chúng tôi sẽ trả lời bạn trong 24 giờ.
        X
        Chúng tôi sử dụng cookie để cung cấp cho bạn trải nghiệm duyệt web tốt hơn, phân tích lưu lượng truy cập trang web và cá nhân hóa nội dung. Bằng cách sử dụng trang web này, bạn đồng ý với việc chúng tôi sử dụng cookie. Chính sách bảo mật
        Từ chối Chấp nhận