Trang chủ > Các sản phẩm > Hàn hạt > đai ốc hàn > Đai ốc hàn vuông loại 5 loại 1D
        Đai ốc hàn vuông loại 5 loại 1D
        • Đai ốc hàn vuông loại 5 loại 1DĐai ốc hàn vuông loại 5 loại 1D
        • Đai ốc hàn vuông loại 5 loại 1DĐai ốc hàn vuông loại 5 loại 1D
        • Đai ốc hàn vuông loại 5 loại 1DĐai ốc hàn vuông loại 5 loại 1D

        Đai ốc hàn vuông loại 5 loại 1D

        Đai ốc hàn vuông loại 5 loại 1D tuân theo tiêu chuẩn cường độ cấp 5. Chúng được thiết kế theo dạng 1D và thích hợp để hàn trên bề mặt kim loại. Thích hợp cho máy móc cường độ trung bình, khung thép hoặc thiết bị công nghiệp. Nhà máy Xiaoguo® có hơn mười năm kinh nghiệm trong lĩnh vực sản xuất dây buộc và có nhân viên chuyên nghiệp để đáp ứng nhu cầu của bạn.
        Người mẫu:JIS B1196-2-2001

        Gửi yêu cầu

        Mô tả Sản phẩm

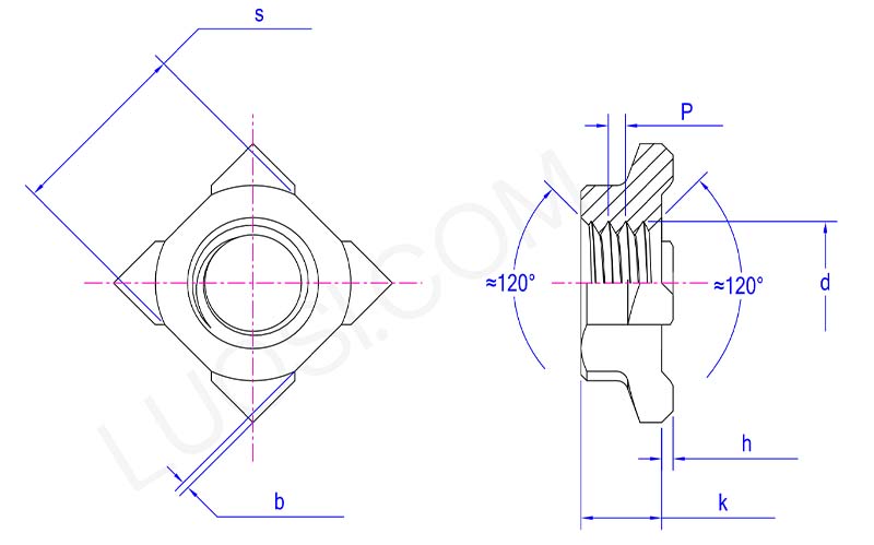
        Đai ốc hàn vuông loại 5 loại 1D có bốn mặt phẳng. Tâm của đai ốc có lỗ ren tiêu chuẩn, thuận tiện cho việc sử dụng với các bu lông phù hợp. Trên bề mặt hàn của đai ốc có một số phần nhô ra nhỏ là bộ phận quan trọng để hàn.

        Ưu điểm sản phẩm

        Đai ốc hàn vuông loại 5 loại 1D không có thiết kế lỗ góc cạnh. Thay vào đó, một phần lồi nhỏ và nhô cao được thiết kế ở phía dưới. Chúng được thiết kế đặc biệt để hàn điểm điện trở. Các điện cực ấn xuống và dòng điện chạy qua vùng nâng lên. Khu vực được nâng lên sẽ tan chảy ngay lập tức và kết hợp đai ốc với kim loại bên dưới.

        Đai ốc hàn loại 5 loại 1D hàn dễ dàng và nhanh chóng. Căn chỉnh thiết bị với các phần nhô ra nhỏ trên đai ốc và truyền một chút nhiệt. Sau đó, đai ốc có thể được hàn nhanh chóng vào tấm sắt hoặc các phôi kim loại khác. So với các loại đai ốc thông thường cần bắt vít để lắp đặt, phương pháp này tiết kiệm đáng kể thời gian. Đai ốc không có khả năng xoay dễ dàng và độ ổn định của nó tốt hơn nhiều so với đai ốc tròn.

        Một trong những ưu điểm chính của việc hàn đai ốc vuông loại 1D với Cấp 5 là tính nhất quán của quá trình hàn. Do các phần nhô ra có thể kiểm soát chính xác vị trí hình thành của đường hàn nên máy hàn điểm tự động có thể đạt được kết quả đáng tin cậy trong mỗi chu kỳ. So với hàn xuyên lỗ thủ công, khả năng mối hàn không đủ cường độ do súng hàn bị lệch sẽ thấp hơn nhiều.

        Sau khi sử dụng đai ốc hàn loại 5 loại 1D, kiểm tra các điểm hàn. Bạn sẽ thấy một điểm hợp nhất vững chắc ở mỗi phần nhô ra. Nó dường như được hợp nhất hoàn toàn vào vật liệu cơ bản. Nếu vẫn nhìn thấy hình dạng nhô ra hoặc trông giống như bị cháy/trầy xước thì có thể cần phải điều chỉnh các cài đặt hàn (dòng điện, thời gian, áp suất) để đạt được liên kết an toàn.

        Thông số sản phẩm

        Thứ hai
        M4 M5 M6 M8 M10 M12
        P
        0.7 0.8 1 1|1,25 1,25|1,5 1,25|1,75
        tối đa
        8 9 10 12 14 17
        giây phút
        7.64 8.64 9.64 11.57 13.57 16.57
        k tối đa
        3.2 4 5 6.5 8 10
        k phút
        2.9 3.7 4.7 6.14 7.64 9.57
        h tối đa
        1 1 1 1 1 1.2
        giờ phút
        0.8 0.8
        0.8
        0.8
        0.8
        1
        b tối đa
        0.5 0.5 0.5 1 1 1
        phút giây
        0.3 0.3 0.3 0.5 0.5 0.5

        parameter of Class 5 weld square nuts with type 1D

        Thẻ nóng: Đai ốc hàn vuông loại 5 loại 1D, Trung Quốc, Nhà sản xuất, Nhà cung cấp, Nhà máy
        Danh mục liên quan
        Gửi yêu cầu
        Xin vui lòng gửi yêu cầu của bạn trong mẫu dưới đây. Chúng tôi sẽ trả lời bạn trong 24 giờ.
        X
        Chúng tôi sử dụng cookie để cung cấp cho bạn trải nghiệm duyệt web tốt hơn, phân tích lưu lượng truy cập trang web và cá nhân hóa nội dung. Bằng cách sử dụng trang web này, bạn đồng ý với việc chúng tôi sử dụng cookie. Chính sách bảo mật
        Từ chối Chấp nhận