Trang chủ > Các sản phẩm > Hàn hạt > đai ốc hàn > Đai ốc hàn kiểu T loại 1A
        Đai ốc hàn kiểu T loại 1A
        • Đai ốc hàn kiểu T loại 1AĐai ốc hàn kiểu T loại 1A
        • Đai ốc hàn kiểu T loại 1AĐai ốc hàn kiểu T loại 1A

        Đai ốc hàn kiểu T loại 1A

        Đai ốc hàn kiểu chữ T loại 1A được thiết kế chuyên dụng để hàn kim loại và tuân thủ quy cách 1A, đảm bảo độ khít chặt. Thích hợp cho khung kim loại, giá đỡ hoặc thiết bị cơ khí, thiết kế hình chữ T giúp tiết kiệm không gian. Nhà máy Xiaoguo® có số lượng hàng hóa lớn trong kho. Chúng tôi cũng có thể tùy chỉnh và cung cấp các sản phẩm đáp ứng nhu cầu cụ thể.
        Người mẫu:JIS B1196-3.1-2001

        Gửi yêu cầu

        Mô tả Sản phẩm

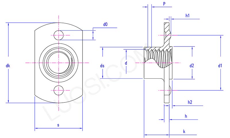
        Đai ốc hàn kiểu chữ T loại 1A có hình dạng giống chữ “T”, có phần ren hình trụ ở phía dưới. Có một số phần nhô ra nhỏ trên mặt bích, được thiết kế đặc biệt để hàn. Thông số kỹ thuật ren phổ biến nằm trong khoảng từ M4 đến M12.

        Thông số sản phẩm

        T style weld nuts with type 1A parameter

        Thứ hai
        M4 M5 M6 M8 M10 M12
        P
        0.7 0.8 1 1|1,25 1,25|1,5 1,25|1,75
        dk tối đa
        20.5 20.5 23.7 23.7 31 33.2
        dk phút
        19.5 19.5 22.3 22.3 29 30.8
        tối đa
        12.25 12.25 14.3 14.3 19.4 21.5
        giây phút
        11.75 11.75 13.7 13.7 18.6 20.5
        ds tối đa
        5.9 6.7 8.3 10.2 13.2 15.2
        ds phút
        5.4 6.2 7.8 9.5 12.5 14.5
        k tối đa
        5.9 6.9 7.5 9 10.6 11.8
        k phút
        5.1 6.1 6.5 8 9.4 10.2
        h tối đa
        1.4 1.4 1.85 1.85 2.3 2.3
        giờ phút
        1 1 1.35 1.35 1.7 1.7
        d2 tối đa
        6.9 6.9 8.9 10.9 12.9 14.9
        d2 phút
        6.7
        6.7
        8.7
        10.7
        12.7
        14.7
        h2 tối đa
        0.8 0.8
        0.8
        0.8
        1.2 1.2
        h2 phút
        0.6 0.6
        0.6
        0.6
        1 1
        d0 tối đa
        3.25 3.25
        3.25
        3.25
        4.05 4.05
        d0 phút
        2.75 2.75
        2.75
        2.75
        3.55 3.55
        h1 tối đa
        0.6 0.6
        0.6
        0.6
        0.7 0.7
        giờ 1 phút
        0.4 0.4
        0.4
        0.4
        0.5
        0.5
        d1 tối đa
        15.2 15.2
        17.25 17.25 22.3 24.3
        d1 phút
        14.8 14.8 16.75 16.75 21.7 23.7

        Tính năng sản phẩm và cài đặt

        Đai ốc hàn kiểu chữ T loại 1A có cấu trúc hình chữ T đặc trưng. Mặt bích có thể tăng diện tích tiếp xúc với tấm kim loại, phân phối áp suất và giúp mối hàn chắc chắn hơn. Kích thước và chiều cao của các phần nhô ra hàn trên mặt bích là như nhau, và quá trình gia nhiệt đồng đều trong quá trình hàn. Độ chính xác chủ đề của nó là cao. Khi bu lông được vặn vào có cảm giác rất êm ái, không bị kẹt hay lỏng.

        T style weld nuts with type 1A

        Đai ốc hàn loại T 1A được đặt tên theo hình dạng của chúng: thân đai ốc lục giác được gắn lệch tâm trên tấm đế hình chữ nhật (mặt bích). Loại 1A chỉ ra rằng nó được thiết kế để hàn hồ quang (MIG hoặc TIG) xung quanh mép mặt bích. Thiết kế hình chữ 'T' cho phép bạn định vị các lỗ ren ở vị trí mong muốn, thậm chí gần mép nơi không thể lắp đai ốc ở giữa và có thể dễ dàng đạt được điều đó.

        Lắp đai ốc hàn kiểu T loại 1A nghĩa là thực hiện hàn dọc theo chu vi của mặt bích hình chữ nhật. Đế đai ốc loại 1A phẳng và không có lỗ hoặc phần nhô ra. Bạn có thể sử dụng MIG hoặc TIG để tạo các đường hàn liên tục dọc theo mép mặt bích. Sự kết hợp tổng thể tốt là rất quan trọng vì đây là cách duy nhất để cố định mặt bích. Hãy làm sạch hoàn toàn kim loại trước.

        Đai ốc hàn loại 1A T đắt hơn loại thông thườnghạt vuông. Bạn sẽ phải trả tiền cho việc xử lý hình dạng mặt bích và các vật liệu bổ sung. Chúng cũng mất nhiều thời gian hơn để được hàn chính xác xung quanh mặt bích. Đặc biệt khi vị trí ren cần được bù đắp, hãy sử dụng chúng; nếu không, các loại hạt tiêu chuẩn có thể rẻ hơn.

        Thẻ nóng: Đai ốc hàn kiểu T loại 1A, Trung Quốc, Nhà sản xuất, Nhà cung cấp, Nhà máy
        Danh mục liên quan
        Gửi yêu cầu
        Xin vui lòng gửi yêu cầu của bạn trong mẫu dưới đây. Chúng tôi sẽ trả lời bạn trong 24 giờ.
        X
        Chúng tôi sử dụng cookie để cung cấp cho bạn trải nghiệm duyệt web tốt hơn, phân tích lưu lượng truy cập trang web và cá nhân hóa nội dung. Bằng cách sử dụng trang web này, bạn đồng ý với việc chúng tôi sử dụng cookie. Chính sách bảo mật
        Từ chối Chấp nhận