|
Thứ hai |
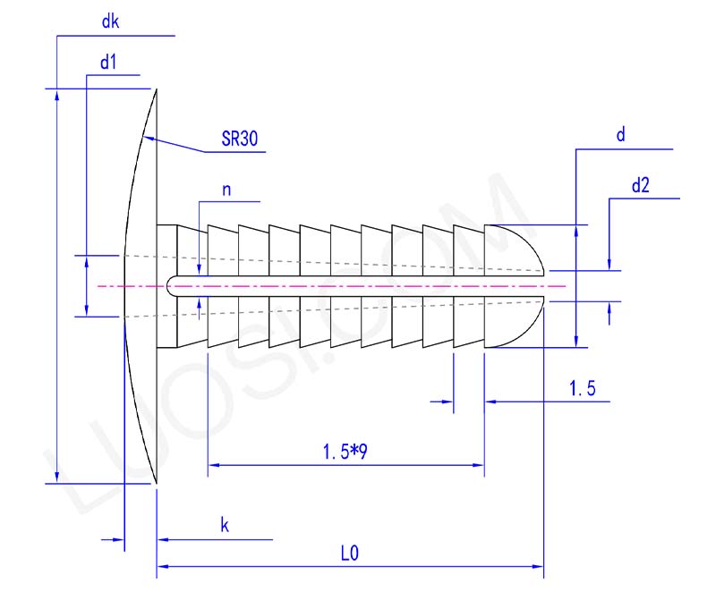
F6 |
F8 |
Φ10 |
|
d tối đa |
6 | 8 | 10 |
|
dmin |
5.8 | 7.8 | 9.8 |
|
dk tối đa |
16.2 | 16.2 | 18.2 |
|
dk phút |
15.8 | 15.8 | 17.8 |
|
k tối đa |
1.6 | 1.6 | 2.1 |
|
k phút |
1.4 | 1.4 | 1.9 |
|
L0 |
20 | 20 | 22 |
|
d1 |
3 | 4 | 5 |
|
d2 |
1.5 | 2 | 3 |
|
n |
1 | 1 | 1.5 |
Bộ giữ kẹp đinh tán mở rộng là một dây buộc bằng nhựa hữu ích. Nó hoạt động như một lựa chọn an toàn hơn, nhẹ hơn, chống rỉ sét thay vì các chốt định vị bằng kim loại thông thường.
Về cơ bản nó là một mảnh hình trụ có một đường xẻ ở giữa. Bạn đặt nó qua một lỗ đã khoan trước, sau đó uốn cong hai chân ra để giữ các bộ phận như chốt khoan, trục hoặc mối liên kết tại chỗ. Phiên bản nhựa này giúp loại bỏ các vấn đề như kim loại bị mòn, cạnh sắc và ăn mòn điện.
Ưu điểm chính của bộ giữ kẹp đinh tán mở rộng là về độ an toàn, nhẹ hơn và giữ được trong các môi trường khác nhau.
Không giống như các chốt kim loại, nó không có vấn đề về các gờ sắc nhọn có thể khiến bạn bị cắt khi đưa vào hoặc lấy ra. Nó nhẹ hơn rất nhiều, điều này rất quan trọng đối với việc sử dụng ô tô và hàng không vũ trụ.
Hơn nữa, bộ giữ kẹp đinh tán mở rộng có khả năng chống gỉ và ăn mòn một cách tự nhiên. Nó có thể được sử dụng ở những nơi ẩm ướt, xung quanh có hóa chất hoặc nơi không đủ điện và nơi kim kim loại có thể gặp trục trặc hoặc gây ra sự cố.

Giá trị cụ thể của độ bền cắt của bộ giữ kẹp đinh tán mở rộng của chúng tôi sẽ thay đổi tùy thuộc vào đường kính của chốt và loại vật liệu cụ thể.
Nó được thiết kế để xử lý nhiều rung động và tải trọng chuyển động thường gặp trong máy móc, phụ tùng ô tô và dây chuyền lắp ráp.
Vật liệu này tự nhiên có tính linh hoạt và độ đàn hồi nhất định, giúp nó hấp thụ chấn động. Điều đó làm cho nó trở thành sự thay thế đáng tin cậy cho các chốt kim loại trong nhiều môi trường khắc nghiệt, nó không dễ bị mòn và cũng làm giảm độ mòn trên các bộ phận mà nó kết nối.
