Các đặc tính tự nhiên của kẹp đinh tán giãn nở bằng nhựa giúp nó phù hợp cho các mục đích sử dụng đặc biệt, cụ thể. Vì nó không dẫn điện nên nó thực sự quan trọng trong các hộp điện và khu vực có điện áp cao. Nó không tạo ra tia lửa, điều này thực sự cần thiết ở những nơi có thể xảy ra vụ nổ (vùng ATEX).
Bạn cũng không thể làm gì nếu không có nó trong phòng MRI và các thiết bị điện tử nhạy cảm, những nơi mà ngay cả từ trường nhỏ từ các chân kim loại cũng không được phép.

Một chiếc kẹp đinh tán giãn nở bằng nhựa tốt phải trải qua các cuộc kiểm tra nghiêm ngặt để đảm bảo nó hoạt động ổn định. Các thử nghiệm này kiểm tra những thứ như độ chính xác về kích thước, mức độ kéo, mức độ xử lý các cú đánh và liệu nó có hoạt động với các hóa chất khác nhau hay không.
Chốt chốt nhựa của Xiaoguo® được sản xuất theo tiêu chuẩn ngành sử dụng vật liệu đáp ứng các yêu cầu quy định, đảm bảo hiệu suất. Họ giữ các đồ vật tại chỗ một cách an toàn và an toàn cho mục đích dự định của họ. So với chốt định vị kim loại, chốt nhựa có khả năng chống ăn mòn và chống gỉ cao hơn.

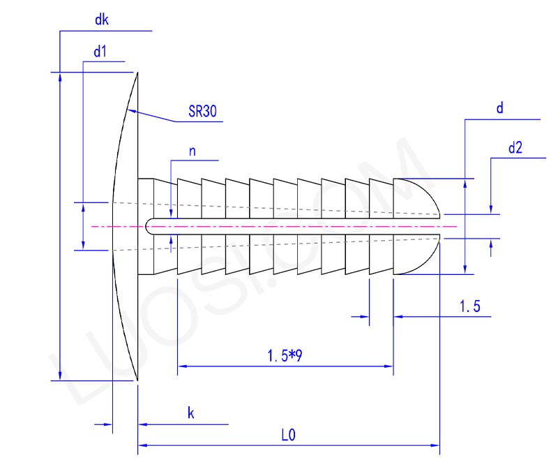
Thứ hai
Φ6
Φ8
Φ10
d tối đa
6
8
10
d phút
5.8
7.8
9.8
dk tối đa
16.2
16.2
18.2
dk phút
15.8
15.8
17.8
k tối đa
1.6
1.6
2.1
k phút
1.4
1.4
1.9
L0
20
20
22
d1
3
4
5
d2
1.5
2
3
n
1
1
1.5
Kẹp đinh tán mở rộng bằng nhựa tiêu chuẩn của chúng tôi được làm bằng vật liệu tuân thủ các quy định quốc tế chính, bao gồm RoHS và REACH. Chúng tôi cũng cung cấp các phiên bản được FDA chứng nhận cho các ứng dụng tiếp xúc với thực phẩm. Giấy chứng nhận tuân thủ có sẵn theo yêu cầu.
Nguyên liệu của chúng tôi được lựa chọn cẩn thận theo tiêu chuẩn toàn cầu trong quá trình sản xuất, đảm bảo tuân thủ các tiêu chuẩn chất lượng liên quan và đảm bảo xuất khẩu an toàn và sử dụng rộng rãi trên toàn thế giới.