Trang chủ > Các sản phẩm > Bu lông > Bolt đầu vuông > Bu lông cùn đầu vuông 60 °
      Bu lông cùn đầu vuông 60 °
      • Bu lông cùn đầu vuông 60 °Bu lông cùn đầu vuông 60 °
      • Bu lông cùn đầu vuông 60 °Bu lông cùn đầu vuông 60 °

      Bu lông cùn đầu vuông 60 °

      Các bu lông cùn đầu vuông 60 ° có thể dễ dàng chèn vào máng và khớp. Mua các bu lông đầu vuông của Công ty Xiaoguo® có thể giúp bạn giải quyết vấn đề. Giá của chúng tôi là cạnh tranh nhất và chúng tôi có thể đảm bảo chất lượng của các sản phẩm. Mỗi bu-lông đã trải qua nhiều cuộc kiểm tra để đáp ứng tiêu chuẩn của GOST 21249-1-1996.
      Người mẫu:GOST 21249-1-1996

      Gửi yêu cầu

      Mô tả Sản phẩm

      Bu lông cùn đầu vuông 60 °là những bu lông có đầu vuông và bề mặt cùn 60 ° (không sắc) ở trên cùng. Nó chủ yếu được sử dụng để vặn hai hoặc nhiều đối tượng lại với nhau và sửa chúng, chẳng hạn như trong việc lắp đặt cơ học hoặc thiết bị, dựa vào đầu vuông để dễ dàng siết chặt công cụ và đầu cùn không sợ gãi người hoặc vật thể. Các bu lông do nhà máy sản xuất là bền. Kết nối của họ rất vững chắc và an toàn. Vì vậy, bạn có thể yên tâm về chất lượng sản phẩm của chúng tôi.


      Chi tiết sản phẩm 

      Bu lông cùn đầu vuông 60 °Có thể được sử dụng để sửa chân ba chân xe đạp chao đảo. Đầu cùn sẽ không làm trầy xước khung xe đạp và đầu 60 ° có thể được sử dụng cùng với cờ lê tiêu chuẩn. Khung, đầu 60 ° có thể được sử dụng cùng với cờ lê tiêu chuẩn. Chỉ cần siết chặt nó một lần và xe đạp sẽ không vượt qua trong suốt chuyến đi.

      Những bu lông này có thể được sử dụng để sửa chữa bàn làm việc nhà để xe run rẩy. Họ có thể củng cố các khớp chân. Đầu cùn được tuôn ra với khung kim loại, và đầu vuông có thể ngăn chặn hiệu quả búa và trượt. Sau khi cài đặt, bạn có thể sử dụng Workbench một cách an toàn và yên tâm để hoàn thành công việc của bạn, và nó sẽ không còn chao đảo nữa.

      Bạn cũng có thể sử dụngBu lông cùn đầu vuông 60 °Để sửa chữa sân thượng và gian hàng ngoài trời. Sử dụng chúng để cố định các khớp vát sẽ không làm cho gỗ bị nứt. Đầu cùn có thể tránh các cạnh sắc nét và chúng dễ dàng và thuận tiện để cài đặt.


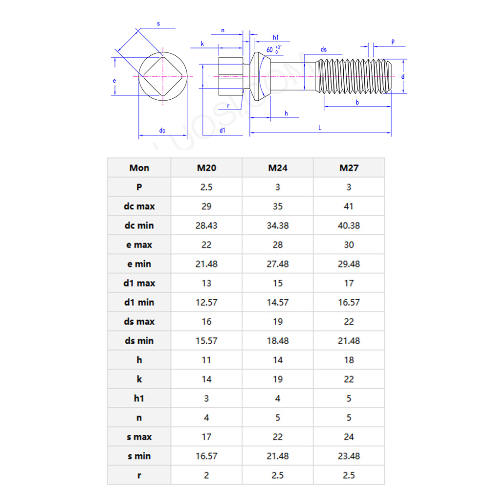
      60°Square head blunt bolts parameters

      Tính năng sản phẩm

      CácKhoảng cách 60 ° củaBu lông cùn đầu vuông 60 °Cho phép cờ lê và đầu bu lông phù hợp hơn, và bạn ít có khả năng trượt khi thắt chặt mạnh mẽ. Chúng có thể được sử dụng ở các góc và kẽ hở khó hoạt động, và chúng có thể dễ dàng thắt chặt các bu lông. Đầu cùn của nó là rất thực tế. Ngay cả khi nó vô tình chạm vào các bộ phận khác trong quá trình cài đặt, nó sẽ không để lại bất kỳ vết trầy xước nào. Chúng phù hợp để lắp đặt trên vỏ nhựa và tấm kính.

      Thẻ nóng: Bu lông cùn đầu tiên, Trung Quốc, nhà sản xuất, nhà cung cấp, nhà máy
      Danh mục liên quan
      Gửi yêu cầu
      Xin vui lòng gửi yêu cầu của bạn trong mẫu dưới đây. Chúng tôi sẽ trả lời bạn trong 24 giờ.
      X
      We use cookies to offer you a better browsing experience, analyze site traffic and personalize content. By using this site, you agree to our use of cookies. Privacy Policy
      Reject Accept