Hex Nut nặngđược áp dụng trong máy móc, xây dựng hoặc bất kỳ ngành công nghiệp nào đòi hỏi các ốc vít mạnh và thấp. Không giống như các hạt hình lục giác thông thường, chúng dày hơn và có thể tuân thủ các bề mặt phẳng, làm cho chúng rất phù hợp với các không gian hạn chế.

Thậm chíHex Nut nặngSẽ bị hao mòn. Kiểm tra đai ốc cho các vết nứt, rỉ sét hoặc các cạnh tròn. Bất kỳ thiệt hại có nghĩa là nó cần phải được thay thế bằng một cái mới. Nếu đai ốc có thể xoay tự do trên một bu lông sạch, nó chỉ ra rằng sợi chỉ bị bào mòn. Nhiệt độ cao và căng thẳng sẽ làm giảm sức mạnh của đai ốc theo thời gian. Không trộn các đai ốc của các lớp khác nhau: Nếu một đai ốc cấp A được đặt trên một bu lông 8 cấp, hậu quả sẽ không thể tưởng tượng được.
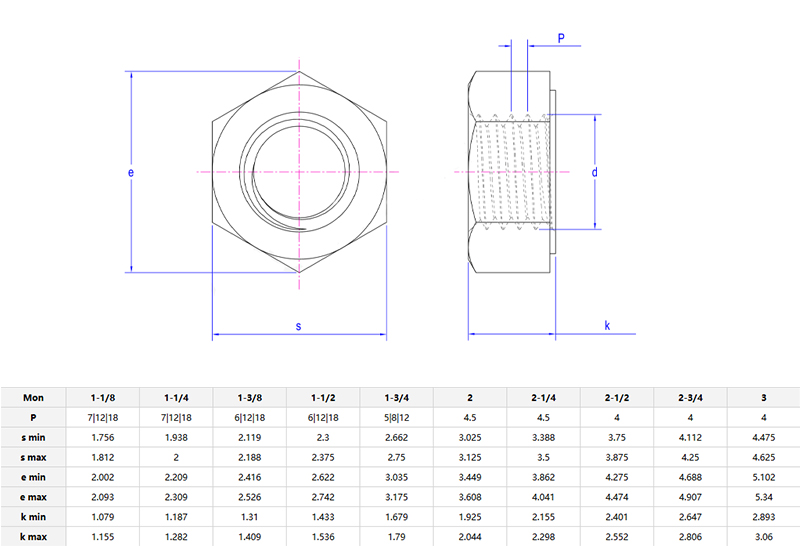
HEX HEX FLATĐóng một vai trò quan trọng trong các tình huống mà các loại hạt có kích thước lớn không thể được cài đặt. Ví dụ, băng tải, khung xe hoặc thiết bị công nghiệp với không gian hạn chế. Bề mặt phẳng của chúng làm giảm phần nhô ra, do đó làm giảm nguy cơ bắt hoặc bị hư hại. Chúng cũng rất phổ biến trong các hệ thống đường ống. Không ai muốn các loại hạt để nhô ra và các mảnh vụn. Mẹo chuyên nghiệp: Sử dụngHex Nut nặngkết hợp với máy giặt phẳng để phân phối đều tải. Nếu công việc của bạn yêu cầu các loại hạt vừa mạnh vừa nhỏ gọn, thì loại đai ốc này là hoàn hảo cho bạn.
Chợ
Doanh thu (năm trước)
Tổng doanh thu (%)
Bắc Mỹ
Bảo mật
15
Nam Mỹ
Bảo mật10
25
Đông Âu
Bảo mật
13
Đông Nam Á
Bảo mật
5
Trung Đông
Bảo mật
7
Đông Á
Bảo mật
13
Tây Âu
Bảo mật
12
Trung Mỹ
Bảo mật
5
Nam Á
Bảo mật
10
Thị trường trong nước
Bảo mật
5
Khi cài đặtHex Nut nặng, sử dụng cờ lê mô -men xoắn để thắt chặt nó cho đến khi nó đáp ứng các thông số kỹ thuật. Việc thắt chặt quá mức có thể gây ra hao mòn chỉ, trong khi không đủ siết chặt có thể dẫn đến việc nới lỏng luồng. Bề mặt của các đai ốc là phẳng, có nghĩa là chúng sẽ được tuôn ra. Do đó, xin vui lòng kiểm tra xem họ có được căn chỉnh không. Nếu bề mặt không mịn, xin vui lòng thêm một miếng đệm để ngăn chặn vết trầy xước. Ngoài ra, không sử dụng lại các loại hạt cũ tại các khớp chính. Thay thế chúng bằng những cái mới để tránh thiệt hại.