Trang chủ > Các sản phẩm > Hạt > Đai ốc > Máy giặt hạt mứt hình lục giác phải đối mặt
        Máy giặt hạt mứt hình lục giác phải đối mặt
        • Máy giặt hạt mứt hình lục giác phải đối mặtMáy giặt hạt mứt hình lục giác phải đối mặt
        • Máy giặt hạt mứt hình lục giác phải đối mặtMáy giặt hạt mứt hình lục giác phải đối mặt
        • Máy giặt hạt mứt hình lục giác phải đối mặtMáy giặt hạt mứt hình lục giác phải đối mặt

        Máy giặt hạt mứt hình lục giác phải đối mặt

        Máy giặt đai ốc hình lục giác của Xiaoguo® tuân thủ các tiêu chuẩn quốc tế nên đai ốc được ưa chuộng rộng rãi trên toàn thế giới. Cho dù bạn là doanh nghiệp sản xuất kinh doanh nhập khẩu hay là nhà phân phối tham gia phân phối hàng tồn kho, chúng tôi sẽ cung cấp các loại hạt chất lượng cao cho dự án của bạn.
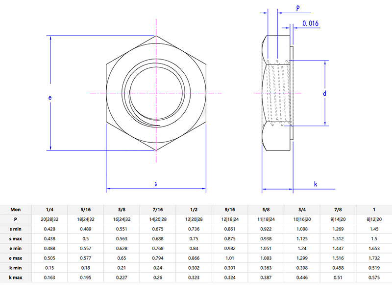
        Người mẫu:ASME/ANSI B18.2.2-4-2015

        Gửi yêu cầu

        Mô tả Sản phẩm

        Máy giặt hạt mứt hình lục giác phải đối mặttăng cường khả năng bảo vệ bề mặt và độ bám, khác với các loại đai ốc chống lỏng thông thường. Chúng có thể được tái sử dụng và rẻ hơn so với việc mua riêng đai ốc và vòng đệm.

        Hexagon jam nuts washer faced

        Chi tiết và thông số sản phẩm

        Vòng đệm đai ốc hình lục giác kết hợp các đặc tính của đai ốc và vòng đệm chống nới lỏng. Khi sử dụng các loại đai ốc này, vòng đệm sẽ phân phối áp lực khi được siết chặt. Điều này giống như có một miếng đệm giữa đai ốc và bề mặt cần kết nối. Điều này rất thuận tiện khi bạn xử lý các vật liệu mềm hơn hoặc không đồng đều. Ví dụ: nếu bạn muốn nối vật gì đó với một miếng gỗ, vòng đệm sẽ bậtmáy giặt mứt hình lục giác phải đối mặtcó thể ngăn đai ốc cắm vào gỗ và có thể làm suy yếu độ bền kết nối.

        Vòng đệm đai ốc lục giác thường được lắp đặt trong các lĩnh vực như ô tô (hệ thống treo, bánh xe), thiết bị công nghiệp (máy bơm, động cơ) và xây dựng (khớp giàn giáo). Bạn cũng có thể lắp chúng trên xe đạp, máy in 3D hoặc điều chỉnh chân của đồ nội thất.



        Hexagon jam nuts washer faced parameter

        Phân phối thị trường của chúng tôi

        Chợ
        Tổng doanh thu (%)
        Bắc Mỹ
        15
        Đông Âu
        3
        Đông Âu
        16
        Đông Nam Á
        5
        Trung Đông
        5
        Đông Á
        15
        Tây Âu
        14
        Trung Mỹ
        5
        Bắc Âu
        10
        Nam Á
        12

        Mẹo cài đặt

        Máy giặt hạt mứt hình lục giác phải đối mặtcó nhiều chất liệu khác nhau để lựa chọn và mỗi chất liệu đều có những ưu điểm riêng. Thép là phổ biến nhất. Nó mạnh mẽ và bền bỉ và có thể chịu được lực đáng kể. Thép không gỉ là một vật liệu thường được sử dụng khác, đặc biệt khi thiết bị của bạn tiếp xúc với môi trường ẩm ướt hoặc khắc nghiệt. Thép không gỉ có đặc tính chống gỉ và chống ăn mòn nên dù đai ốc có bị ướt vẫn có thể duy trì ở tình trạng tốt.


        Phiên hỏi đáp

        Hỏi: Máy giặt hạt mứt hình lục giác của bạn có phạm vi kích thước bao nhiêu?

        Trả lời: Máy giặt đai ốc hình lục giác của chúng tôi có kích thước phổ biến từ M3 đến M24. Những kích thước này được sử dụng rộng rãi trong lắp ráp công nghiệp và máy móc. Chúng tôi cũng có thể cung cấp các kích thước khác nếu bạn có yêu cầu cụ thể. Mỗi kích thước được sản xuất theo thông số kỹ thuật tiêu chuẩn để đảm bảo phù hợp với các loại bu lông thông dụng trên thị trường. Bạn có thể cho chúng tôi biết kích thước bạn cần và chúng tôi sẽ xác nhận tình trạng còn hàng cho bạn.  




        Thẻ nóng: Máy giặt hạt mứt hình lục giác, Trung Quốc, Nhà sản xuất, Nhà cung cấp, Nhà máy
        Danh mục liên quan
        Gửi yêu cầu
        Xin vui lòng gửi yêu cầu của bạn trong mẫu dưới đây. Chúng tôi sẽ trả lời bạn trong 24 giờ.
        X
        Chúng tôi sử dụng cookie để cung cấp cho bạn trải nghiệm duyệt web tốt hơn, phân tích lưu lượng truy cập trang web và cá nhân hóa nội dung. Bằng cách sử dụng trang web này, bạn đồng ý với việc chúng tôi sử dụng cookie. Chính sách bảo mật
        Từ chối Chấp nhận