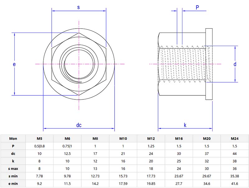
Hexagon Nut với cổ áolà hạt hình lục giác tiêu chuẩn. Có một cổ áo hình trụ mở rộng bên dưới đầu hình lục giác. Cổ áo thêm sự tham gia của luồng bổ sung và bảo vệ các luồng bu lông khỏi thiệt hại. Cổ áo hoạt động giống như một máy giặt tích hợp.

Hexagon Nut với cổ áolà các ốc vít thực tế nơi cổ áo mở rộng bên dưới đầu hex, cung cấp cho bạn 2-3 chủ đề phụ cho độ bám an toàn hơn. Hình dạng hình lục giác tiêu chuẩn có thể được sử dụng với tất cả các cờ lê thông thường, và cạnh mịn của cổ áo giúp người lao động dễ dàng cài đặt hơn. Mặc dù nặng hơn một chút so với đai ốc cơ bản, cổ áo tích hợp tăng thêm sức mạnh và loại bỏ sự cần thiết của một máy giặt hoặc miếng đệm riêng biệt. Khi bạn cần tham gia vào chủ đề bổ sung hoặc muốn giảm thiểu các cạnh sắc nét trong cơ học, xây dựng, chúng tôi khuyên bạn nên chọnHexagon Nut với cổ áo.

Tại sao chọnHexagon Nut với cổ áo?
Cổ áo giữ bu lông lâu hơn, giảm nguy cơ mất sợi dưới tải trọng nặng. Nó cũng có thể bao gồm các đầu bu lông sắc nét, làm cho nó an toàn hơn khi sử dụng trên sân chơi, đồ nội thất hoặc thiết bị. Chỉ cần cài đặt đai ốc, cổ áo có thể đóng vai trò kép. Lý tưởng cho các môi trường mà chiều dài bu lông thay đổi hoặc chủ đề yêu cầu bảo vệ.
Hexagon Nut với cổ áođược sử dụng trong ô tô (hệ thống treo, gắn động cơ), xây dựng và nông nghiệp. Chúng cũng được sử dụng trong lắp ráp đồ nội thất, thiết bị thể dục và các dự án DIY trong đó bu lông được điều chỉnh thường xuyên.
Hexagon Nut với cổ áoCung cấp thêm an toàn chủ đề. Không cần thêm các miếng chêm hoặc vỏ bọc, điều này là hoàn hảo cho những người đam mê DIY hoặc các ngành công nghiệp ưu tiên hiệu quả. Nó đắt hơn một chút, nhưng nó tiết kiệm thời gian và giảm số lượng các bộ phận được sử dụng.