Trang chủ > Các sản phẩm > Hạt > Đai ốc > MJ Thread Nuts hình lục giác nhỏ
        MJ Thread Nuts hình lục giác nhỏ
        • MJ Thread Nuts hình lục giác nhỏMJ Thread Nuts hình lục giác nhỏ
        • MJ Thread Nuts hình lục giác nhỏMJ Thread Nuts hình lục giác nhỏ
        • MJ Thread Nuts hình lục giác nhỏMJ Thread Nuts hình lục giác nhỏ

        MJ Thread Nuts hình lục giác nhỏ

        Đai ốc mỏng hình lục giác nhỏ MJ Thread được làm bằng vật liệu chất lượng cao và phù hợp cho nhiều ứng dụng, từ lắp ráp thiết bị điện tử tiêu dùng đến xây dựng các cấu trúc vi mô. Nếu bạn đang tìm kiếm một nhà cung cấp đai ốc siêu phẳng hình lục giác của Trung Quốc với đường ren mịn, bạn có thể chọn Xiaoguo ®.
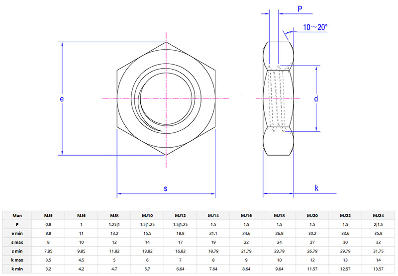
        Người mẫu:HB 8243-2002

        Gửi yêu cầu

        Mô tả Sản phẩm

        MJ đai ốc mỏng hình lục giác nhỏlà một đai ốc nhỏ gọn và cấu hình thấp. "Sợi MJ" dùng để chỉ một sợi hàng không số liệu đặc biệt có gốc tròn và khả năng chống mỏi tốt hơn. Các thông số của nó như biên dạng răng và bước răng đã được tối ưu hóa để đáp ứng nhu cầu về kết nối có độ bền cao và độ tin cậy cao. Chúng được sử dụng trong kỹ thuật chính xác, chẳng hạn như máy bay, xe đua hoặc robot, v.v.

        Chi tiết và thông số sản phẩm

        MJ thread small hexagon thin nuts


        Đai ốc mỏng lục giác nhỏ ren MJ thường được sử dụng trong ngành hàng không vũ trụ (như tấm vệ tinh), động cơ hiệu suất cao hoặc thiết bị y tế. Sợi MJ có thể làm giảm sự tập trung ứng suất, cho phép ứng dụng chúng trong môi trường có tải rung hoặc tải tuần hoàn. Thợ cơ khí sử dụng chúng trên xe máy; Các kỹ sư sử dụng chúng cho máy bay không người lái.

        Đai ốc mỏng hình lục giác nhỏ bền hơn ren hệ mét thông thường. Phần gốc của ren MJ có hình tròn (chứ không phải sắc), làm giảm khả năng bị nứt dưới tác dụng lực lặp đi lặp lại. Do dung sai nhỏ hơn nên chúng cũng ít có khả năng bị gắn sai. Nếu sự cố dẫn đến thời gian ngừng hoạt động hoặc nguy hiểm, nên sử dụng ren MJ để thay thế. Ngoài ra, chúng còn có trọng lượng nhẹ hơn và được ứng dụng trong lĩnh vực hàng không vũ trụ hoặc đua xe.

        MJ đai ốc mỏng hình lục giác nhỏđược sử dụng động cơ hiệu suất cao, linh kiện vệ tinh hoặc thiết bị cấy ghép y tế. Độ chính xác của ren MJ có thể làm giảm ma sát trong quá trình siết chặt. Chúng có thể chống ăn mòn trong môi trường khắc nghiệt. Mẹo chuyên nghiệp: Sử dụng bàn chải nylon để làm sạch sợi chỉ. Các mảnh vụn có thể dễ dàng làm tắc nghẽn sợi MJ.




        MJ thread small hexagon thin nuts

        Mẹo cài đặt

        Độ chính xác là chìa khóa khi cài đặtMJ đai ốc mỏng hình lục giác nhỏ. Nó mỏng hơn ren hệ mét tiêu chuẩn. Vì vậy, hãy sử dụng nó kết hợp với bu lông MJ. Các sợi hỗn hợp sẽ gây mòn cả hai. Vui lòng sử dụng cờ lê hoặc ổ cắm mảnh để tránh trượt trên cạnh lục giác mỏng. Đối với các khớp then chốt, vui lòng bôi chất khóa ren.


        Thẻ nóng: MJ Thread Nuts hình lục giác nhỏ, Trung Quốc, nhà sản xuất, nhà cung cấp, nhà máy
        Danh mục liên quan
        Gửi yêu cầu
        Xin vui lòng gửi yêu cầu của bạn trong mẫu dưới đây. Chúng tôi sẽ trả lời bạn trong 24 giờ.
        X
        Chúng tôi sử dụng cookie để cung cấp cho bạn trải nghiệm duyệt web tốt hơn, phân tích lưu lượng truy cập trang web và cá nhân hóa nội dung. Bằng cách sử dụng trang web này, bạn đồng ý với việc chúng tôi sử dụng cookie. Chính sách bảo mật
        Từ chối Chấp nhận