Bu lông đầu xiên
        • Bu lông đầu xiênBu lông đầu xiên
        • Bu lông đầu xiênBu lông đầu xiên
        • Bu lông đầu xiênBu lông đầu xiên

        Bu lông đầu xiên

        Bu lông đầu xiên là một loại dây buộc thông dụng, được sử dụng rộng rãi trong các lĩnh vực sản xuất máy móc, công nghiệp xây dựng, sản xuất ô tô, v.v. Thông qua hoạt động liên lạc và phản hồi thường xuyên từ khách hàng, Xiaoguo® không ngừng cải tiến dịch vụ của mình để đảm bảo mức độ hài lòng cao nhất của khách hàng.
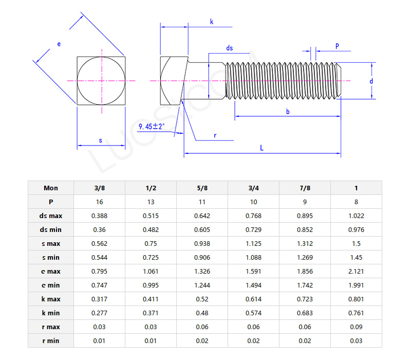
        Người mẫu:ASME/ANSI B18.2.1-4-2012

        Gửi yêu cầu

        Mô tả Sản phẩm

        Bu lông đầu xiên là loại bu lông đặc biệt có đầu vuông, hình dáng độc đáo và đặc trưng.

        Phân loại

        Phân loại kích thước: Bu lông đầu xiên có thể được chia thành các thông số kỹ thuật khác nhau tùy theo kích thước, chẳng hạn như M3, M4, M5, v.v., tương ứng với các đường kính và chiều dài ren khác nhau.

        Phân loại vật liệu: Theo môi trường sử dụng khác nhau,bu lông đầu xiêncó thể được chia thành thép carbon và thép không gỉ hai loại. Chất liệu thép cacbon có độ bền cao nhưng không có khả năng chống ăn mòn; Thép không gỉ có khả năng chống ăn mòn tốt hơn.

        Phân loại cấp chính xác: Cấp chính xác của bu lông đầu xiên có thể được chia thành cấp thông thường và cấp cao. Phạm vi dung sai ren cấp thông thường lớn, phù hợp cho những dịp thông thường; Dung sai ren nâng cao nhỏ hơn và chính xác hơn, phù hợp cho các ứng dụng chính xác.

        Kịch bản ứng dụng và phương pháp cài đặt

        Sản xuất cơ khí: Bu lông đầu xiên được sử dụng rộng rãi trong lĩnh vực sản xuất cơ khí như thiết bị cơ khí, máy công cụ, thiết bị truyền động, v.v.

        Ngành xây dựng: Trong lĩnh vực xây dựng, bu lông đầu xiên thường được sử dụng để cố định các bộ phận khác nhau như dầm, tấm, cột,…

        Sản xuất ô tô: Trong quá trình sản xuất ô tô,bu lông đầu xiênđược sử dụng để sửa chữa các bộ phận ô tô, chẳng hạn như động cơ, hộp số, v.v.


        oblique head bolt

        Trước khi sử dụng, cần đảm bảo rằng phần ren sạch và không có tạp chất để đảm bảo lắp đặt trơn tru. Căn chỉnh các bu lông đầu xiên với lỗ ren mục tiêu và đảm bảo rằng bu lông thẳng hàng với lỗ. Sử dụng cờ lê hoặc tuốc nơ vít phù hợp, nhẹ nhàng siết chặt các bu lông cho đến khi nó không di chuyển. Kiểm tra xem các bu lông có được siết chặt hay không. Nếu mô-men xoắn siết chặt không đạt được mô-men xoắn yêu cầu, hãy siết chặt các bu lông. Hoàn tất việc lắp đặtbu lông đầu xiênvà đảm bảo rằng tất cả các bộ phận kết nối đều an toàn và ổn định.

        oblique head bolt

        oblique head bolt

        Thông số kỹ thuật và tiêu chuẩn sản phẩm

        Các thông số kỹ thuật củabu lông đầu xiênrất đa dạng, từ M8 đến M64, chiều dài thay đổi từ hàng chục mm đến vài mét. Thông số kỹ thuật phổ biến trên thị trường bao gồm 4.8 và 8.8, khách hàng có thể chọn đúng thông số kỹ thuật và cấp độ theo nhu cầu cụ thể. Ngoài ra, các bu lông này cũng có thể được tùy chỉnh theo yêu cầu của các bộ phận có hình dạng khác nhau để đáp ứng các tình huống ứng dụng đặc biệt

        Chợ

        Chợ
        Doanh thu (Năm trước)
        Tổng doanh thu (%)
        Bắc Mỹ
        Bảo mật
        20
        Nam Mỹ
        Bảo mật
        4
        Đông Âu
        Bảo mật
        24
        Đông Nam Á
        Bảo mật
        2
        Châu phi
        Bảo mật
        2
        Châu Đại Dương
        Bảo mật
        1
        Trung Đông
        Bảo mật
        4
        Đông Á
        Bảo mật
        13
        Tây Âu
        Bảo mật
        18
        Trung Mỹ
        Bảo mật
        6
        Bắc Âu
        Bảo mật
        2
        Nam Âu
        Bảo mật
        1
        Nam Á
        Bảo mật
        4
        Thị trường trong nước
        Bảo mật
        5


        Thẻ nóng: Bu lông đầu xiên, Trung Quốc, Nhà sản xuất, Nhà cung cấp, Nhà máy
        Danh mục liên quan
        Gửi yêu cầu
        Xin vui lòng gửi yêu cầu của bạn trong mẫu dưới đây. Chúng tôi sẽ trả lời bạn trong 24 giờ.
        X
        Chúng tôi sử dụng cookie để cung cấp cho bạn trải nghiệm duyệt web tốt hơn, phân tích lưu lượng truy cập trang web và cá nhân hóa nội dung. Bằng cách sử dụng trang web này, bạn đồng ý với việc chúng tôi sử dụng cookie. Chính sách bảo mật
        Từ chối Chấp nhận