Bolt đầu vuông
      • Bolt đầu vuôngBolt đầu vuông
      • Bolt đầu vuôngBolt đầu vuông

      Bolt đầu vuông

      Bu lông đầu vuông có thể cho phép đầu bu lông chìm vào bề mặt lắp đặt, đảm bảo bề mặt mịn và đẹp trong khi tránh các phần nhô ra và va chạm, làm cho chúng phù hợp với những dịp đòi hỏi ngoại hình và an toàn. Nếu bạn cần một bề mặt phẳng, bạn có thể chọn Xiaoguo® bu lông này. Đầu quầy cho phép bu -lông bám trơn vào bề mặt. Chúng tôi sản xuất bu lông có kích thước khác nhau và chúng có trong kho. Bạn có thể liên hệ với chúng tôi bất cứ lúc nào để yêu cầu.
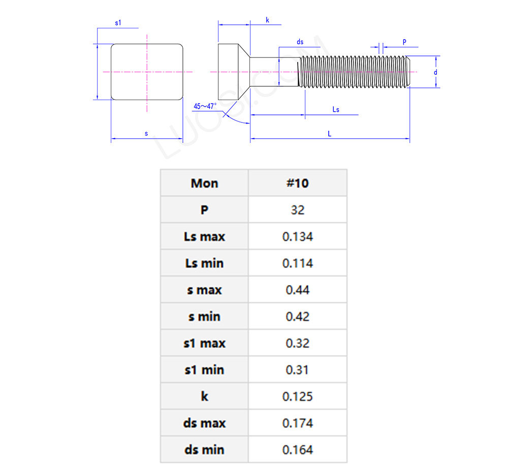
      Người mẫu:MS 9397-2000

      Gửi yêu cầu

      Mô tả Sản phẩm

      Đầu của mộtBolt đầu vuônglà hình vuông và có một góc độ có thể chìm hoàn toàn vào lỗ của vật liệu mà nó được nối. Theo cách này, đầu bu lông sẽ không nhô ra và bề mặt sẽ được tâng bốc. Nếu bạn theo đuổi vẻ đẹp, bạn có thể chọn chúng.


      Chi tiết sản phẩm và thông số

      Bạn có thể sử dụngBolt đầu vuôngTrong ngành sản xuất đồ nội thất. Chúng có thể được sử dụng để làm máy tính bảng, cửa tủ, vv Chúng có thể giấu các ốc vít. Sau khi được thắt chặt, bề mặt mịn và không ảnh hưởng đến sự xuất hiện tổng thể của đồ nội thất. Họ cũng không cảm thấy khó chịu khi chạm vào.


      Cờ lê bu lông có một khu vực tiếp xúc lớn và ít có khả năng trượt ra khi siết chặt, giúp hoạt động dễ dàng hơn so với bu lông đầu tròn. Ngay cả những người có ít sức mạnh cũng có thể thắt chặt các bu lông. Một lỗ hổng phải được khoan trong vật liệu trước khi cài đặt. SauBolt đầu vuôngđược vặn vào, đầu được chèn hoàn toàn vào lỗ và tuôn ra với bề mặt của vật liệu. Theo cách này, cho dù nó được lắp đặt trên mặt phẳng hay bề mặt cong, nó sẽ không ảnh hưởng đến độ phẳng tổng thể.


      Square countersunk head bolt parameters

      Điểm bán sản phẩm

      CácBolt đầu vuôngđược đặc trưng bởi không có không gian và che giấu. Sau khi lắp đặt, đầu bu lông được tuôn ra với bề mặt vật liệu và sẽ không phình như bu lông thông thường. Nó không ảnh hưởng đến ngoại hình cũng như gãi những thứ khác. Chúng rất dễ cài đặt và không dễ dàng trượt trong quá trình cài đặt, làm cho chúng rất thực tế.


      Thẻ nóng: Bu lông đầu vuông, Trung Quốc, nhà sản xuất, nhà cung cấp, nhà máy
      Danh mục liên quan
      Gửi yêu cầu
      Xin vui lòng gửi yêu cầu của bạn trong mẫu dưới đây. Chúng tôi sẽ trả lời bạn trong 24 giờ.
      X
      We use cookies to offer you a better browsing experience, analyze site traffic and personalize content. By using this site, you agree to our use of cookies. Privacy Policy
      Reject Accept