Trang chủ > Các sản phẩm > Hạt > Đai ốc > Đai ốc lục giác vát đơn loại 2
        Đai ốc lục giác vát đơn loại 2
        • Đai ốc lục giác vát đơn loại 2Đai ốc lục giác vát đơn loại 2
        • Đai ốc lục giác vát đơn loại 2Đai ốc lục giác vát đơn loại 2
        • Đai ốc lục giác vát đơn loại 2Đai ốc lục giác vát đơn loại 2

        Đai ốc lục giác vát đơn loại 2

        Đai ốc lục giác vát cạnh đơn loại 2 có thể được sử dụng trong những môi trường không thể sử dụng đai ốc tiêu chuẩn. Chiều cao của đai ốc Loại 2 cao hơn khoảng 10% so với Loại 1. Khi mua hàng từ Xiaoguo®, chúng tôi đảm bảo cung cấp cho bạn những sản phẩm chất lượng cao đáp ứng nhu cầu buộc chặt của bạn.
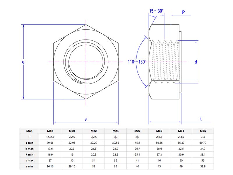
        Người mẫu:JIS B1181-6-1993

        Gửi yêu cầu

        Mô tả Sản phẩm

        Đai ốc lục giác vát đơn loại 2dày hơn và chắc chắn hơn Loại 1, đồng thời khả năng chịu tải cao hơn Loại 1 nên phù hợp với tải nặng hoặc các tình huống yêu cầu cao. Loại 1 phù hợp với công việc nhẹ, trong khi Loại 2 phù hợp với máy móc hạng nặng hoặc tải trọng kết cấu. Tuy nhiên, Loại 2 đắt hơn và nặng hơn.

        Đai ốc lục giác vát đơn loại 2 là đai ốc lục giác có giá cả tương đối phải chăng, không cần xử lý nhiệt. Đai ốc loại 2 chủ yếu được sử dụng trong các ứng dụng thường yêu cầu lắp ráp và tháo rời, chẳng hạn như hàng không vũ trụ, ô tô, xây dựng, máy móc và các ứng dụng khác yêu cầu đầu nối tương đối chắc chắn.

        Chi tiết và thông số sản phẩm

        Type 2 single chamfered hexagon nut


        Đai ốc lục giác vát đơn loại 2 được lắp đặt trên khung xe tải, hệ thống băng tải hoặc thiết bị nông nghiệp. Chúng có thể chịu được mô-men xoắn lớn hơn, ngăn chặn đai ốc bị bong ra và phần vát giúp căn chỉnh bu-lông nhanh chóng. Chúng quá cồng kềnh đối với kệ hoặc đồ nội thất cơ bản.

        Khi lựa chọnđai ốc lục giác vát đơn loại 2, kích thước bu lông cần được xem xét đầu tiên. Khớp đường kính ren (ví dụ: M12, ¾ ") và bước (ren thô hoặc ren mịn). Việc vát cạnh sẽ thêm một Góc nhỏ vào một bên của ren. Khi siết chặt, tránh vặn nhầm ren. Không trộn lẫn ren hệ mét và ren hệ mét, vì điều này sẽ làm hỏng ren.

        Đai ốc lục giác vát đơn loại 2 có thể dẫn hướng bu lông nhanh hơn, nhờ đó giảm thời gian ngừng hoạt động của thiết bị trong sản xuất hàng loạt. Các loại hạt mạ kẽm nhúng nóng thích hợp để sử dụng ngoài trời, nhưng nên tránh sử dụng trong môi trường ăn mòn nơi lớp phủ có thể bị mòn. Không tái sử dụng đai ốc trên thiết bị đã bỏ đi.


        Type 2 single chamfered hexagon nut

        Mẹo cài đặt

        Khi cài đặtđai ốc lục giác vát đơn loại 2, mặt vát đối diện với bu lông để làm cho mối nối ren trơn tru hơn. Sử dụng cờ lê lực để siết chặt nó. Hãy cẩn thận rằng việc siết quá chặt có thể làm hỏng bu lông. Nên sử dụng kết hợp bu lông chất lượng cao (có cùng cấp độ bền) và vòng đệm cứng.

        Thẻ nóng: Đai ốc lục giác vát đơn loại 2, Trung Quốc, Nhà sản xuất, Nhà cung cấp, Nhà máy
        Danh mục liên quan
        Gửi yêu cầu
        Xin vui lòng gửi yêu cầu của bạn trong mẫu dưới đây. Chúng tôi sẽ trả lời bạn trong 24 giờ.
        X
        Chúng tôi sử dụng cookie để cung cấp cho bạn trải nghiệm duyệt web tốt hơn, phân tích lưu lượng truy cập trang web và cá nhân hóa nội dung. Bằng cách sử dụng trang web này, bạn đồng ý với việc chúng tôi sử dụng cookie. Chính sách bảo mật
        Từ chối Chấp nhận