Trang chủ > Các sản phẩm > Vít > Các ốc vít khác > Vít mặt bích 12 điểm có thân giảm
        Vít mặt bích 12 điểm có thân giảm
        • Vít mặt bích 12 điểm có thân giảmVít mặt bích 12 điểm có thân giảm
        • Vít mặt bích 12 điểm có thân giảmVít mặt bích 12 điểm có thân giảm
        • Vít mặt bích 12 điểm có thân giảmVít mặt bích 12 điểm có thân giảm

        Vít mặt bích 12 điểm có thân giảm

        Vít mặt bích 12 điểm có thân thu nhỏ rất phù hợp cho các ứng dụng yêu cầu cố định chắc chắn nhưng cũng muốn giảm độ dày của vật liệu. Bạn có thể kiểm soát mô-men xoắn tốt hơn để nó không bị trượt khi siết chặt. Công ty Xiaoguo® cung cấp các giải pháp thiết thực.

        Gửi yêu cầu

        Mô tả Sản phẩm

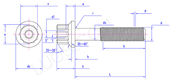
        Vít mặt bích 12 điểm có chuôi thu gọn, đầu có 12 góc. Tấm mặt bích bên dưới giống như một miếng đệm, làm tăng diện tích tiếp xúc với vật liệu được kết nối. Phần thanh mỏng ở giữa có đường kính nhỏ hơn so với thanh vít thông thường và được ứng dụng trong một số trường hợp cụ thể.

        Thông số sản phẩm

        Thứ hai #10
        P 32
        d1 0.1
        dc 0.375
        ds tối đa 0.171
        ds phút 0.161
        e 0.278
        h tối đa 0.05
        giờ phút 0.04
        k 0.26
        r phút 0.015
        r tối đa 0.025
        tối đa 0.251
        giây phút 0.243
        w 0.13

        Đặc trưng

        Vít mặt bích 12 điểm này có thể được sử dụng để lắp đặt bơm thủy lực. Máy bơm cao áp có thể rung lắc, khiến các bu lông lắp đặt bị lỏng. Thiết kế tay cầm ngắn của nó có thể hấp thụ rung động cổ. Việc bịt kín mặt bích có thể ngăn chặn rò rỉ dầu và không cần miếng đệm riêng. Những bu lông tiêu chuẩn sẽ gãy trong vòng vài tháng, trong khi những bu lông này có thể chịu được hơn 10.000 giờ hoạt động.

        Vít mặt bích 12 điểm với thân thu nhỏ có thể được sử dụng để kết nối ống xả. Ống góp tuabin có thể bị nứt ở các lỗ bu lông do ứng suất nhiệt. Họ có thể giải quyết vấn đề này. Thanh vít có thể được uốn cong trong chu trình nhiệt ở 800°C để ngăn ngừa hiện tượng gãy do ứng suất. Khi tháo rời có khả năng chống gỉ tốt hơn đầu lục giác. Hãy chắc chắn áp dụng chất chống bám niken. Tuổi thọ của nó dài gấp đôi so với bu lông thông thường.

        Những vít mặt bích đầu 12 điểm này có thể giảm trọng lượng. Phần hẹp hơn bên dưới sợi chỉ có thể giảm tổn thất vật liệu mà không làm giảm độ bền. Nó rất phù hợp cho các ứng dụng nhạy cảm với trọng lượng như tấm ốp máy bay hoặc xe đua. Mặt bích vẫn có thể được sử dụng làm miếng đệm tích hợp.

        Lợi thế

        Vít mặt bích 12 điểm với thân rút gọn có lực siết chặt mạnh. Nó có thể chịu được mô-men xoắn lớn khi siết chặt. Với việc tấm mặt bích tăng ma sát nên cũng rất khó bị lỏng trong môi trường rung. Nó đã làm giảm các mối nguy hiểm về an toàn và hư hỏng thiết bị do nới lỏng. Hơn nữa, trong quá trình lắp đặt, thiết kế thanh mỏng cho phép nó đi qua các vật liệu mỏng hơn hoặc các lỗ nhỏ dễ dàng hơn mà không cần phải khoan tốn nhiều công sức. Nó rất dễ dàng để hoạt động và tiết kiệm thời gian và nhân lực.

        12 Point Flange Screw With Reduced Shank

        Thẻ nóng: Vít mặt bích 12 điểm có thân giảm, Trung Quốc, Nhà sản xuất, Nhà cung cấp, Nhà máy
        Danh mục liên quan
        Gửi yêu cầu
        Xin vui lòng gửi yêu cầu của bạn trong mẫu dưới đây. Chúng tôi sẽ trả lời bạn trong 24 giờ.
        X
        Chúng tôi sử dụng cookie để cung cấp cho bạn trải nghiệm duyệt web tốt hơn, phân tích lưu lượng truy cập trang web và cá nhân hóa nội dung. Bằng cách sử dụng trang web này, bạn đồng ý với việc chúng tôi sử dụng cookie. Chính sách bảo mật
        Từ chối Chấp nhận