Trang chủ > Các sản phẩm > Vít > Các ốc vít khác > Vít lò xo cố định
        Vít lò xo cố định
        • Vít lò xo cố địnhVít lò xo cố định
        • Vít lò xo cố địnhVít lò xo cố định
        • Vít lò xo cố địnhVít lò xo cố định
        • Vít lò xo cố địnhVít lò xo cố định
        • Vít lò xo cố địnhVít lò xo cố định

        Vít lò xo cố định

        Vít lò xo cố định là vít lỏng, không thể tháo rời, được lắp đặt bằng cách nén hoặc giãn nở bằng đinh tán để tạo kết nối an toàn. Xiaoguo® là nhà sản xuất đáng tin cậy cung cấp các kích cỡ dây buộc tiêu chuẩn và cũng có thể sản xuất các kích cỡ tùy chỉnh.

        Gửi yêu cầu

        Mô tả Sản phẩm

        Lợi ích lớn nhất của vít lò xo cố định là chúng giữ chặt các khớp. Điều đó có nghĩa là ít hỏng hóc hơn, thiết bị an toàn hơn, ít thời gian ngừng hoạt động để sửa chữa mọi thứ và sản phẩm hoạt động tốt hơn trong thời gian dài hơn.


        Những ốc vít này ăn rung động và xử lý những thay đổi về nhiệt hoặc dịch chuyển vật liệu, những thứ làm lỏng các vít thông thường. Chúng cũng đơn giản hóa việc lắp ráp vì bạn thường bỏ qua vòng đệm khóa hoặc khóa ren, cắt giảm danh sách các bộ phận của mình. Vít lò xo chống nới lỏng có thể được sử dụng cho các công việc buộc chặt khó khăn.


        Vít lò xo cố định kết hợp khả năng bám của vít với khả năng giữ lực căng của lò xo. Được làm từ vật liệu cứng, có nhiều kích cỡ/thông số kỹ thuật và thường có lớp phủ để chống gỉ, chúng có khả năng ngăn chặn hiện tượng rung lắc và mỏi kim loại.

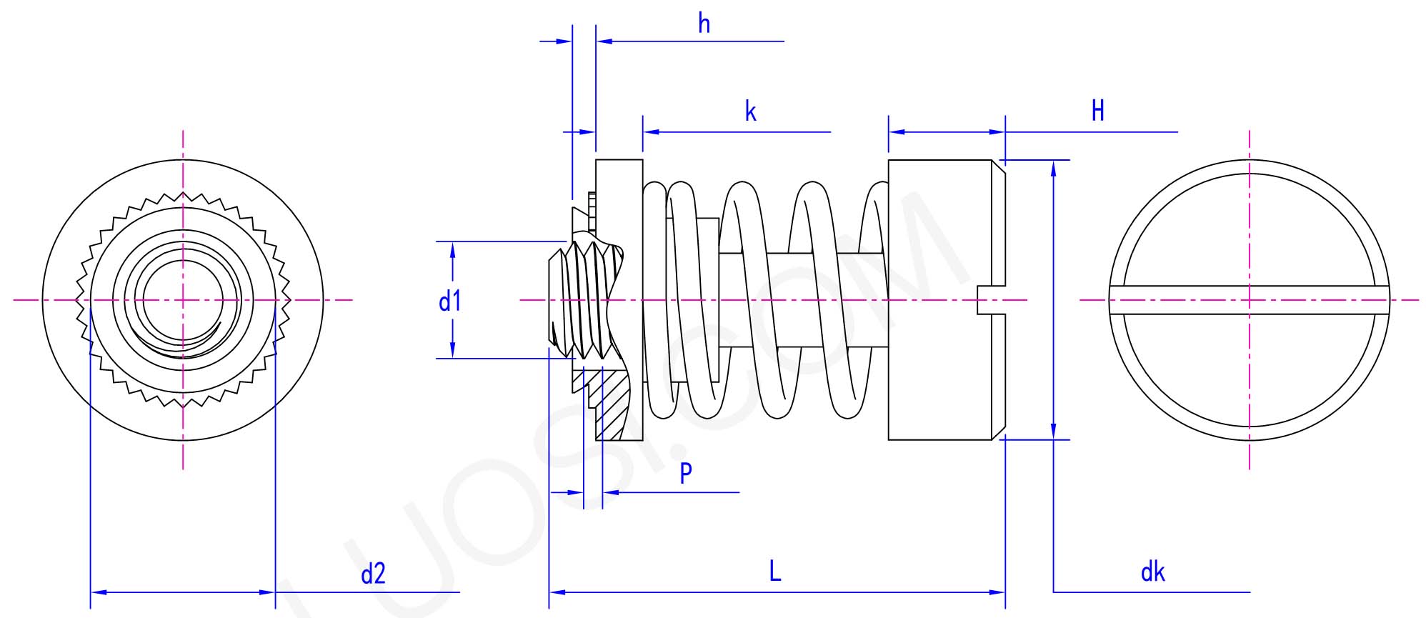
        Thông số sản phẩm

        Thứ hai 440 632 832 032 0420
        P 40 32 32 32 20
        d1 #4 #6 #8 #10 1/4
        d2 tối đa 0.202 0.218 0.249 0.311 0.374
        dk tối đa 0.416 0.448 0.478 0.54 0.635
        dk phút 0.396 0.428 0.458 0.52 0.615
        h tối đa 0.058 0.058 0.058 0.058 0.058
        k tối đa 0.128 0.128 0.128 0.12 0.148
        k phút 0.118 0.118 0.118 0.11 0.138
        H tối đa 0.207 0.207 0.212 0.225 0.247
        H phút 0.197 0.197 0.202 0.237 0.237

        Bạn sẽ tìm thấy chúng trong máy bay, ô tô, nhà máy và thiết bị, bất cứ nơi nào các bộ phận cần được bảo quản trong môi trường khắc nghiệt. Điều đó cho bạn biết chúng là chìa khóa để giữ mọi thứ an toàn, an toàn và bền bỉ. Vít lò xo là giải pháp thiết thực cho các thiết bị hiện đại không chịu được rung động mạnh.

        Captive Spring Screw

        Bưu kiện

        Hỏi: Gói hàng sẽ được đóng gói như thế nào để tránh hư hỏng trong quá trình vận chuyển quốc tế?

        Trả lời: Chúng tôi đóng gói vít lò xo cố định để đến nơi an toàn. Thông thường, chúng tôi đặt chúng theo kiểu số lượng lớn trong túi nhựa kín bên trong hộp các tông. Đôi khi chúng tôi ném vào các ngăn hoặc đệm để tránh bị rối hoặc trầy xước trong quá trình vận chuyển.


        Các đơn đặt hàng lớn hơn được cung cấp theo cuộn hoặc cuộn nhựa tùy chỉnh. Dù thế nào đi nữa, bao bì của chúng tôi đều bền, chống ẩm và chống sốc, ngăn ngừa hư hỏng trong quá trình vận chuyển.

        Thẻ nóng: Vít lò xo cố định, Trung Quốc, Nhà sản xuất, Nhà cung cấp, Nhà máy
        Danh mục liên quan
        Gửi yêu cầu
        Xin vui lòng gửi yêu cầu của bạn trong mẫu dưới đây. Chúng tôi sẽ trả lời bạn trong 24 giờ.
        X
        Chúng tôi sử dụng cookie để cung cấp cho bạn trải nghiệm duyệt web tốt hơn, phân tích lưu lượng truy cập trang web và cá nhân hóa nội dung. Bằng cách sử dụng trang web này, bạn đồng ý với việc chúng tôi sử dụng cookie. Chính sách bảo mật
        Từ chối Chấp nhận