Đai ốc mặt bích hệ mét
        • Đai ốc mặt bích hệ métĐai ốc mặt bích hệ mét
        • Đai ốc mặt bích hệ métĐai ốc mặt bích hệ mét
        • Đai ốc mặt bích hệ métĐai ốc mặt bích hệ mét

        Đai ốc mặt bích hệ mét

        Đai ốc mặt bích lục giác hệ mét là đai ốc lục giác có mặt bích theo kích thước hệ mét. Nhà sản xuất Xiaoguo® cung cấp đai ốc mặt bích lục giác theo hệ mét đáp ứng các tiêu chuẩn và nhân viên chuyên nghiệp luôn sẵn sàng giải đáp các thắc mắc.
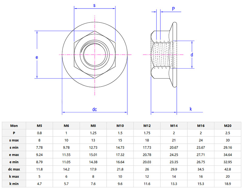
        Người mẫu:ASME/ANSI B18.2.4.4M-1982

        Gửi yêu cầu

        Mô tả Sản phẩm

        Thợ cơ khí và công nhân xây dựng sử dụng đai ốc mặt bích lục giác hệ mét trong môi trường có độ rung cao. Mặt bích giữ chặt bề mặt, giảm nguy cơ nới lỏng đai ốc và ren hệ mét QUẢNG CÁO với bu lông tiêu chuẩn, do đó bạn không cần phải tùy chỉnh các kích thước đặc biệt.

        Metric hex flange nut

        Chi tiết và thông số sản phẩm

        Đai ốc mặt bích lục giác hệ mét là sự kết hợp giữa đai ốc lục giác tiêu chuẩn và mặt bích tích hợp (vòng đệm). Nó có thể phân phối áp lực để bảo vệ bề mặt đồng thời ngăn chặn đai ốc bị lỏng do rung. Nó có sẵn bằng thép và thép không gỉ để sử dụng trong máy móc, xe cộ hoặc xây dựng. Mặt bích loại bỏ sự cần thiết của các miếng đệm riêng biệt, do đó tiết kiệm thời gian lắp đặt và số lượng bộ phận.

        Nông dân và công nhân nông nghiệp sử dụng đai ốc mặt bích lục giác hệ mét trong máy kéo, máy gặt và hệ thống tưới tiêu. Mặt bích giúp đai ốc không bị lỏng trong môi trường bụi bặm hoặc bùn lầy, đồng thời ren hệ mét phù hợp với hầu hết các bu lông thiết bị nông nghiệp. Nó đủ chắc chắn để chịu được sự hao mòn hàng ngày nhưng cũng đủ đơn giản để vận hành và có thể thay thế trực tiếp tại hiện trường. Dù là sửa chữa máy cày hay kho chứa ngũ cốc, những loại đai ốc này đều giúp người dùng tiết kiệm thời gian.

        Đai ốc mặt bích hệ mét được sử dụng trong điện tử và robot. Mặt bích giữ đai ốc ổn định trên bảng hoặc bảng mạch mỏng mà không bị siết quá chặt. Kích thước số liệu phù hợp với thông số kỹ thuật chính xác, điều này rất cần thiết cho thiết bị chính xác. Những người có sở thích và chuyên gia sử dụng nó trong máy bay không người lái, máy in 3D hoặc hệ thống tự động nơi rung động có thể phá vỡ sự liên kết của các đai ốc.



        Metric hex flange nut

        Phân phối thị trường của chúng tôi

        Chợ
        Doanh thu (Năm trước)
        Tổng doanh thu (%)
        Bắc Mỹ
        Bảo mật
        15
        Nam Mỹ
        Bảo mật
        10
        Đông Âu
        Bảo mật
        12
        Đông Nam Á
        Bảo mật
        10
        Trung Đông
        Bảo mật
        7
        Đông Á
        Bảo mật
        17
        Tây Âu
        Bảo mật
        15
        Nam Á
        Bảo mật
        6
        Thị trường trong nước
        Bảo mật
        8

        Mẹo bảo trì

        Kiểm tra đai ốc mặt bích hệ mét xem có bị gỉ hoặc mặt bích bị cong không. Thay thế nếu ren bị bong ra hoặc mặt bích bị nứt. Đối với môi trường mặn, chọn thép không gỉ. Làm sạch các sợi chỉ bằng bàn chải sắt nếu mảnh vụn tích tụ. Tránh siết quá chặt trên các vật liệu mềm như nhựa. Nhấn phẳng mặt bích vào bề mặt và siết chặt bằng cờ lê. Mặt bích tự căn chỉnh ở những điểm không bằng phẳng. Sử dụng cờ lê lực cho tải nặng để tránh bị tuột ren.


        Thẻ nóng: Đai ốc mặt bích hệ mét, Trung Quốc, Nhà sản xuất, Nhà cung cấp, Nhà máy
        Danh mục liên quan
        Gửi yêu cầu
        Xin vui lòng gửi yêu cầu của bạn trong mẫu dưới đây. Chúng tôi sẽ trả lời bạn trong 24 giờ.
        X
        Chúng tôi sử dụng cookie để cung cấp cho bạn trải nghiệm duyệt web tốt hơn, phân tích lưu lượng truy cập trang web và cá nhân hóa nội dung. Bằng cách sử dụng trang web này, bạn đồng ý với việc chúng tôi sử dụng cookie. Chính sách bảo mật
        Từ chối Chấp nhận