Trang chủ > Các sản phẩm > Vít > Các ốc vít khác > Vít lò xo bảng điều khiển
        Vít lò xo bảng điều khiển
        • Vít lò xo bảng điều khiểnVít lò xo bảng điều khiển
        • Vít lò xo bảng điều khiểnVít lò xo bảng điều khiển
        • Vít lò xo bảng điều khiểnVít lò xo bảng điều khiển
        • Vít lò xo bảng điều khiểnVít lò xo bảng điều khiển
        • Vít lò xo bảng điều khiểnVít lò xo bảng điều khiển

        Vít lò xo bảng điều khiển

        Vít lò xo của bảng điều khiển là một dây buộc tích hợp được cố định vào tấm mỏng bằng đinh tán. Vít sẽ không rơi ra khi được nới lỏng, phù hợp với các tình huống cần tháo gỡ thường xuyên. Nhà máy Xiaoguo® sở hữu mạng lưới hậu cần toàn diện, cho phép theo dõi hàng hóa theo thời gian thực và đảm bảo giao hàng suôn sẻ.

        Gửi yêu cầu

        Mô tả Sản phẩm

        Vít lò xo panel là loại ốc vít chuyên dụng. Chúng được thiết kế để giữ độ căng ổn định, đáng tin cậy trong các cụm lắp ráp chịu tác động của rung động, thay đổi nhiệt độ hoặc tải trọng chuyển động. Không giống như ốc vít thông thường, chúng có các bộ phận lò xo tích hợp, thường ở dạng vòng đệm hoặc thiết kế ren, hoạt động giống như một lò xo. Điều này giúp chúng giữ được lực kẹp và không bị lỏng ra.


        Vít tiêu chuẩn có thể phát huy tác dụng do mỏi hoặc giãn trong những tình huống này, nhưng vít lò xo UN sẽ xuất hiện. Chúng là giải pháp thông minh cho các kết nối cơ học bền bỉ cần áp suất và khả năng chống rung không đổi, điều này thực sự giúp giữ cho các khớp chắc chắn và bền lâu trong điều kiện khắc nghiệt.

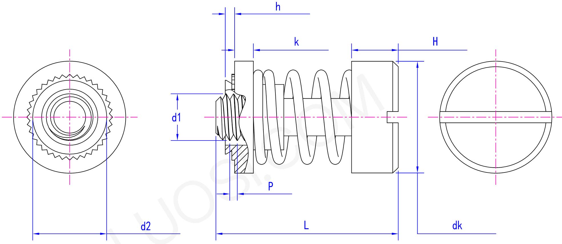
        Thông số sản phẩm

        Thứ hai 440 632 832 032 0420
        P 40 32 32 32 32
        d1 #4 #6 #8 #10 1/4
        d2 tối đa 0.202 0.218 0.249 0.311 0.374
        dk tối đa 0.416 0.448 0.478 0.54 0.635
        dk phút 0.396 0.428 0.458 0.52 0.615
        h tối đa 0.058 0.058 0.058 0.058 0.058
        k tối đa 0.128 0.128 0.128 0.12 0.148
        k phút 0.118 0.118 0.118 0.11 0.138
        H tối đa 0.207 0.207 0.212 0.225 0.247
        H phút 0.197 0.197 0.202 0.215 0.237

        Panel Spring Screw


        Thuận lợi

        Những lý do chính để chọn vít lò xo bảng điều khiển là chúng giữ tải trước tốt như thế nào và ngăn chặn các rung động khiến chúng bị lỏng ra. Điều đó thực sự nâng cao độ tin cậy và an toàn trong quá trình lắp ráp của bạn. Một số điểm cộng lớn là cần ít bảo trì hơn, ngăn chặn các lỗi lớn trong các hệ thống quan trọng và tiết kiệm tiền mặt do không cần thêm những thứ khóa như đai ốc hoặc keo dán.


        Vít lò xo UN hoạt động tốt hơn ở những điểm chịu ứng suất cao, giữ lực kẹp ổn định theo thời gian. Thiết kế thông minh của chúng giải quyết các vấn đề thường gặp như mỏi bu lông và trượt khớp. Đối với các kỹ sư quan tâm đến độ bền và độ an toàn của ô tô, máy bay hoặc máy công nghiệp thì đây là một bản nâng cấp hiển nhiên.


        Những vật liệu chống ăn mòn nào thường được sử dụng để sản xuất ốc vít?

        Hỏi: Vít lò xo bảng điều khiển của bạn thường được làm bằng vật liệu gì để chống ăn mòn?

        Trả lời: Vít lò xo UN thông thường của chúng tôi hầu hết được làm từ thép không gỉ, như A2 (304) hoặc A4 (316). Những thứ này có tác dụng chống rỉ sét tốt trong hầu hết các tình huống. Nếu bạn cần thứ gì đó khác biệt, chúng tôi cũng có thể sản xuất thép carbon với mạ kẽm hoặc các lớp phủ khác, chỉ cần cho chúng tôi biết. Đối với những môi trường thực sự khắc nghiệt, chúng tôi thậm chí có thể báo giá các hợp kim đặc biệt như Hastelloy. Vật liệu bạn chọn sẽ ảnh hưởng đến tuổi thọ của vít lò xo UN và mức độ hoạt động của chúng trong thiết lập cụ thể của bạn.

        Thẻ nóng: Vít lò xo tấm, Trung Quốc, Nhà sản xuất, Nhà cung cấp, Nhà máy
        Danh mục liên quan
        Gửi yêu cầu
        Xin vui lòng gửi yêu cầu của bạn trong mẫu dưới đây. Chúng tôi sẽ trả lời bạn trong 24 giờ.
        X
        Chúng tôi sử dụng cookie để cung cấp cho bạn trải nghiệm duyệt web tốt hơn, phân tích lưu lượng truy cập trang web và cá nhân hóa nội dung. Bằng cách sử dụng trang web này, bạn đồng ý với việc chúng tôi sử dụng cookie. Chính sách bảo mật
        Từ chối Chấp nhận