Các đinh tán tán xạ của Liên hợp quốc dành cho bo mạch PCB này thường được làm từ hợp kim thép tốt, như thép có hàm lượng carbon thấp hoặc thép không gỉ hoặc nhôm. Chúng có độ bền cơ học vững chắc và bền bỉ theo thời gian.
Những loại thép có độ bền kéo và độ bền cắt cao nhất. Mặt khác, nhôm dẫn điện tốt và nhẹ.
Kim loại được chọn cho các đinh tán này có nghĩa là chúng có thể chịu được tải trọng cơ học nặng, ứng suất từ các chu trình làm nóng và làm mát, đồng thời luôn bền bỉ trong suốt thời gian sử dụng sản phẩm.
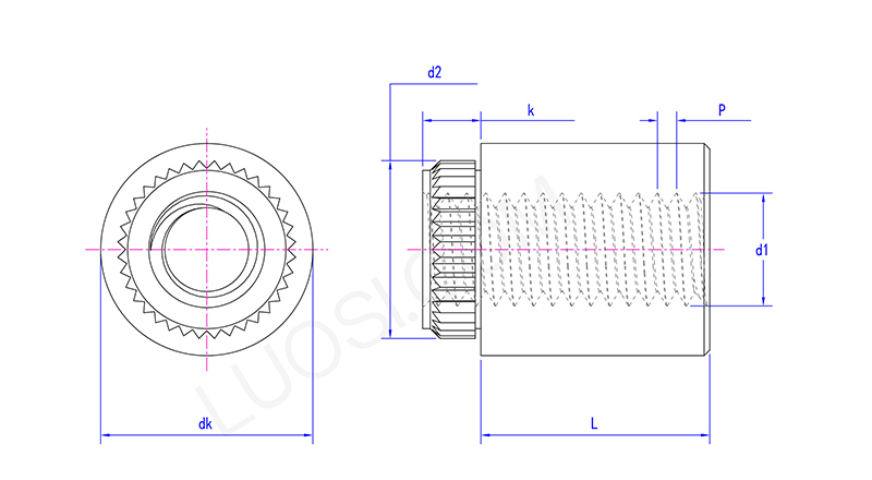
Đinh tán tán đinh của Liên Hợp Quốc cho bo mạch PCB là một dây buộc cố định và có độ bền cao được sử dụng để cung cấp điểm cố định ren ngoài đáng tin cậy trên bảng mạch in (PCB). Ở đây, "UN" thường đại diện cho "Tiêu chuẩn quốc gia thống nhất", đề cập đến loại ren vít được tiêu chuẩn hóa mà nó sở hữu (chẳng hạn như UNC hoặc UNF), đảm bảo khả năng tương thích với các loại đai ốc tiêu chuẩn khác nhau.
Quá trình cài đặt diễn ra nhanh chóng và hiệu quả. Chèn đinh tán vào lỗ khoan trước trên bảng PCB. Sau đó, sử dụng dụng cụ tán đinh chuyên dụng để làm biến dạng đầu phẳng của đinh tán, khiến nó nở ra phía ngoài và bám chắc giữa đầu đinh tán với vai hoặc mặt bích của đinh tán, từ đó tạo thành liên kết chắc chắn, chống rung mà không cần hàn.
Phương pháp này đặc biệt phù hợp với các tình huống yêu cầu chịu được áp lực cơ học lớn, cần trải qua nhiều hoạt động cắm điện hoặc khi nhiệt sinh ra khi hàn có thể làm hỏng các bộ phận nhạy cảm.
Các đinh tán có đinh tán của Liên hợp quốc dành cho bo mạch PCB này được lắp đặt bằng phương pháp tạo hình nguội hoặc tán đinh.
Bạn dán đinh tán qua một lỗ khoan trước trên PCB. Sau đó, một công cụ tán đinh đặc biệt uốn cong chuôi đinh tán vào khuôn dưới tấm ván, tạo ra một ổ khóa loe vĩnh viễn để giữ nó cố định.
Phương pháp xử lý nguội tạo ra ít nhiệt hơn và sẽ không làm hỏng tấm PCB hoặc mạch điện. Khi được lắp đúng cách, các đinh tán sẽ giúp cố định chắc chắn và chống rung mà không ảnh hưởng đến cấu trúc của bảng mạch.

| Chợ | Doanh thu (Năm trước) | Tổng doanh thu (%) |
| Bắc Mỹ | Bảo mật | 20 |
| Nam Mỹ | Bảo mật | 4 |
| Đông Âu | Bảo mật | 24 |
| Đông Nam Á | Bảo mật | 2 |
| Châu phi | Bảo mật | 2 |
| Châu Đại Dương | Bảo mật | 1 |
| Trung Đông | Bảo mật | 4 |
| Đông Á | Bảo mật | 13 |
| Tây Âu | Bảo mật | 18 |
| Trung Mỹ | Bảo mật | 6 |
| Bắc Âu | Bảo mật | 2 |
| Nam Âu | Bảo mật | 1 |
| Nam Á | Bảo mật | 4 |
| Thị trường trong nước | Bảo mật | 5 |