Hồ sơ bu lông cá
        • Hồ sơ bu lông cáHồ sơ bu lông cá
        • Hồ sơ bu lông cáHồ sơ bu lông cá
        • Hồ sơ bu lông cáHồ sơ bu lông cá

        Hồ sơ bu lông cá

        Cấu hình bu lông cá Cấu hình bu lông cá do nhà máy Xiaoguo® sản xuất đã trải qua quá trình xử lý chính xác. Tất cả các quy trình sản xuất đều trải qua sự kiểm tra nghiêm ngặt. Theo tiêu chuẩn AS 1085.4-2002, bạn không phải lo lắng về chất lượng sản phẩm. Chúng tôi cung cấp các mẫu miễn phí để bạn kiểm tra.
        Người mẫu:ASME/ANSI B18.10-1-2006

        Gửi yêu cầu

        Mô tả Sản phẩm

        cácHồ sơ bu lông cáchủ yếu được sử dụng để kết nối các tấm cá trên đường ray, giúp hai đoạn đường ray được nối chắc chắn với nhau tạo thành một đường ray dài. Chúng tôi có thể sản xuất theo các tiêu chuẩn quốc tế khác nhau, chẳng hạn như BS, ASTM, DIN và các tiêu chuẩn khác.

        Chi tiết sản phẩm

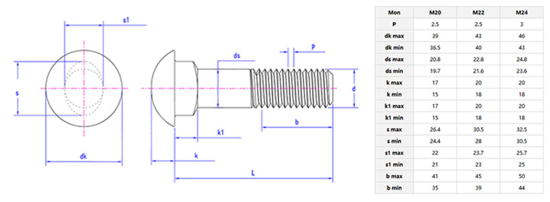
        Có một số hình dạng đầu của bu lông, chẳng hạn như đầu tròn, đầu vuông và đầu lục giác. Phần vít của nó có ren và thông số kích thước rất đa dạng. Đường kính thường dao động từ M10 đến M24 và chiều dài cũng có thể dao động từ hàng chục mm đến hơn một trăm mm. Các vật liệu phổ biến bao gồm thép cacbon, chẳng hạn như thép Q235 và 45#, cũng như thép không gỉ.

        cácHồ sơ bu lông cáđược sử dụng trong ngành đường sắt. Khi lắp đặt đường ray, chúng được sử dụng để nối các đoạn đường ray lần lượt. Hàng ngày, đường ray có rất nhiều đoàn tàu chạy nhanh và nặng chạy qua, tạo ra rung động và áp suất đáng kể. Bu lông có thể khóa chắc chắn các mối nối ray, đảm bảo sự ổn định của đường ray, giúp tàu chạy an toàn và êm ái. Dù là đường sắt chở hàng để vận chuyển đường dài hay đường sắt cao tốc và đường sắt thông thường để chở hành khách, không ai có thể làm được nếu không có nó.

        Fish bolt profile

        Điểm bán sản phẩm

        cácHồ sơ bu lông cákết nối vừa chắc chắn vừa thiết thực. Nó có thể cố định chắc chắn các khớp của đường ray. Khi tàu chạy, đường ray sẽ không dễ bị dịch chuyển hoặc lỏng lẻo. Ngoài ra, nó có tính linh hoạt cao và có thể được sử dụng trong đường sắt hạng nặng, đường ray hạng nhẹ và một số đường ray trong công nghiệp.

        Thông số sản phẩm

        Fish bolt profile


        Bao bì sản phẩm

        Bao bì của profile bu lông cá được thiết kế để bảo quản và vận chuyển thực tế. Mỗi lô trước tiên được sắp xếp theo kích cỡ, sau đó được đóng vào túi nhựa dày, mỗi túi có 50 hoặc 100 chiếc. Các túi được đóng kín để tránh bụi và hơi ẩm, tránh rỉ sét hoặc hư hỏng chỉ. Những túi nhỏ này sau đó được đặt vào thùng carton sóng. Mỗi thùng carton đều có nhãn ghi các thông tin cơ bản: kích thước, số lượng, ngày sản xuất, số lô. Đối với những đơn hàng số lượng lớn, thùng carton được xếp chồng lên nhau trên pallet gỗ và cố định bằng dây đai thép để tránh xê dịch trong quá trình vận chuyển. Phương pháp đóng gói này rất dễ xử lý, cho dù để lưu trữ trong kho hay sử dụng tại chỗ. Nó cũng giúp kiểm tra hàng tồn kho nhanh chóng và thực hiện đơn hàng cho cả lô hàng trong nước và quốc tế.


        Phiên hỏi đáp

        Hỏi: Cấu hình bu lông cá có những thông số kỹ thuật tiêu chuẩn nào?

        Trả lời: Cấu hình bu lông cá chủ yếu tuân theo các tiêu chuẩn dây buộc đường sắt quốc tế như DIN và ISO. Thông số kỹ thuật phổ biến bao gồm đường kính thân từ 16mm đến 30mm và chiều dài từ 80mm đến 200mm. Các thông số này được điều chỉnh để kết nối đường ray và tà vẹt. Chúng tôi có thể cung cấp bảng thông số kỹ thuật chi tiết và hồ sơ chốt cá tùy chỉnh cũng có sẵn dựa trên các yêu cầu dự án đường sắt cụ thể của bạn.  



        Thẻ nóng: Profile bu lông cá, Trung Quốc, Nhà sản xuất, Nhà cung cấp, Nhà máy
        Danh mục liên quan
        Gửi yêu cầu
        Xin vui lòng gửi yêu cầu của bạn trong mẫu dưới đây. Chúng tôi sẽ trả lời bạn trong 24 giờ.
        X
        Chúng tôi sử dụng cookie để cung cấp cho bạn trải nghiệm duyệt web tốt hơn, phân tích lưu lượng truy cập trang web và cá nhân hóa nội dung. Bằng cách sử dụng trang web này, bạn đồng ý với việc chúng tôi sử dụng cookie. Chính sách bảo mật
        Từ chối Chấp nhận