Vì vậy, khi xem Bu lông mắt được đảm bảo bằng thang máy, bạn sẽ thấy chúng có một số vật liệu phổ biến và việc chọn loại phù hợp thực sự chỉ phụ thuộc vào công việc cụ thể của bạn. Loại phổ biến nhất bạn sẽ thấy là thép carbon. Đó là lựa chọn chung cho các công việc nâng hàng ngày không liên quan đến bất kỳ điều kiện đặc biệt nào. Để giúp chống gỉ, các bu lông thép carbon này thường được mạ kẽm, giúp chúng có vẻ ngoài màu bạc, hơi sáng bóng.
Sau đó là thép không gỉ. Bạn nên sử dụng tính năng này nếu đang làm việc ở những nơi mà mọi thứ có thể bị ướt hoặc bị ăn mòn, chẳng hạn như gần biển hoặc trong các nhà máy hóa chất. Các loại phổ biến nhất là 304 và 316, trong đó 316 có độ bền cao hơn một chút đối với các cài đặt thực sự khắc nghiệt. Mặt khác, nếu bạn đang nâng vật nặng, bạn sẽ cần phải sử dụng bu lông mắt bằng thép hợp kim rèn. Vật liệu này được chế tạo đặc biệt để đáp ứng các yêu cầu về độ bền cao hơn nhiều, vì vậy nó cứng hơn rất nhiều so với thép carbon tiêu chuẩn của bạn.
Khi mua Bu lông mắt được đảm bảo bằng thang máy, bạn sẽ nhận thấy chúng thường có các lớp hoàn thiện khác nhau. Đây không chỉ là vẻ bề ngoài; Những phương pháp xử lý bề mặt này thực sự nhằm mục đích làm cho bu-lông bền hơn và chống rỉ sét, điều này cực kỳ quan trọng đối với sự an toàn và độ bền.

Một phương pháp thực sự phổ biến mà bạn sẽ thấy là mạ điện. Đây là nơi họ phủ một lớp mỏng thứ gì đó như kẽm hoặc niken lên thép. Nó cung cấp cho bạn khả năng bảo vệ cơ bản tốt chống lại sự ăn mòn và cũng làm cho bu-lông trông sáng hơn một chút. Nhưng nếu bạn cần thứ gì đó bền hơn cho môi trường khắc nghiệt, chẳng hạn như ngoài trời tại công trường xây dựng hoặc trong khu vực biển ẩm ướt, bạn nên tìm kiếm bu lông mắt mạ kẽm nhúng nóng. Quá trình này tạo ra một lớp phủ dày hơn nhiều, chắc chắn hơn và có thể xử lý được nhiều sự lạm dụng hơn theo thời gian.
Có những lựa chọn khác, quá. Ví dụ, oxit đen là phương pháp xử lý để làm cho bu lông có lớp hoàn thiện tối, không phản chiếu. Nó có khả năng chống gỉ nhất định nhưng thường được chọn nhiều hơn vì vẻ ngoài của nó và để giảm độ chói của ánh sáng. Và đối với bu lông inox, họ thường sử dụng quá trình gọi là thụ động. Điều này nghe có vẻ phức tạp nhưng về cơ bản nó là một bể hóa chất giúp làm sạch và tăng cường lớp bảo vệ tự nhiên trên thép không gỉ, tăng cường khả năng chống rỉ sét.
Câu hỏi: Bu lông mắt được đảm bảo bằng thang máy của bạn có kèm theo chứng nhận không? Vâng, chúng tôi có thể cấp cho bạn chứng chỉ kiểm tra cho bu lông mắt được đảm bảo bằng thang máy. Nó chứng minh Bu lông mắt đáp ứng các tiêu chuẩn như ASME B18.15, đồng thời xác nhận vật liệu được làm từ chất liệu gì cũng như các đặc tính cơ học của nó.
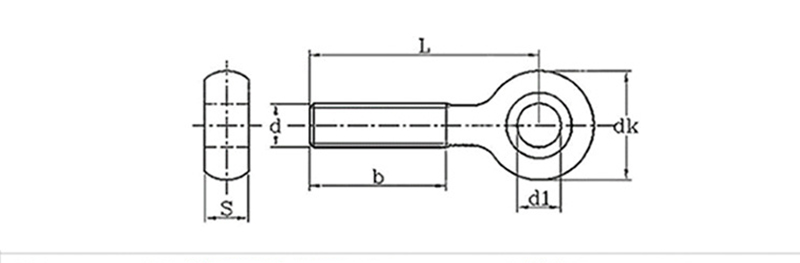
|
mm |
|||
|
Đường kính ren |
d1 |
dk |
s |
|
M6 |
5 |
10.5 |
5.4 |
|
M8 |
6 | 13 | 7 |
|
M10 |
8 | 16 | 8.5 |
|
M12 |
10 | 19 | 10.5 |