Một vít mắt có một thanh ren và đầu vòng. Các chủ đề được cắt chính xác để phù hợp chặt với các đai ốc hoặc lỗ ren. Đầu vòng được chế tạo để xử lý lực kéo nặng, làm cho nó đáng tin cậy để nâng hoặc đảm bảo tải.
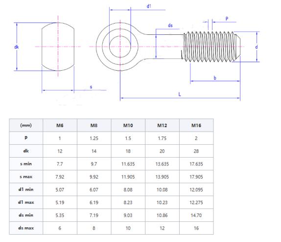
Chi tiết sản phẩm và thông số
Mỗi ốc vít Eyebolt được thực hiện thông qua ba bước chính: định hình kim loại nóng (rèn), cắt các sợi vít chính xác và lớp phủ/xử lý cuối cùng. Các bước này đảm bảo chúng phù hợp với các quy tắc QC 190 - 2012 cho các phép đo, nhu cầu sức mạnh và chất lượng bề mặt. Không có tính năng bổ sung lạ mắt - chỉ là các quy trình đơn giản được kiểm tra theo các yêu cầu khó khăn. Tiêu chuẩn bao gồm mức độ lớn của chúng, chúng phải giữ bao nhiêu trọng lượng mà không bị phá vỡ, và đảm bảo rằng không có điểm rỉ hoặc điểm thô. Về cơ bản, nếu một mắt để rời khỏi nhà máy, vít mắt đã được đập, gia công, hoàn thành và thử nghiệm để hoạt động như dự định.

Vít Eyebolts được sử dụng trong các nhà máy xe hơi để nâng động cơ và hộp số trong quá trình lắp ráp. Trên các công trường xây dựng, chúng giúp nâng những thứ nặng như dầm thép hoặc tấm bê tông. Thiết kế đơn giản, đủ cứng để nâng nặng hàng ngày.
Phân phối thị trường
| Chợ | Doanh thu (năm trước) | Tổng doanh thu (%) |
| Bắc Mỹ | Bảo mật | 23 |
| Nam Mỹ | Bảo mật | 6 |
| Đông Âu | Bảo mật | 15 |
| Đông Nam Á | Bảo mật | 3 |
| Châu Đại Dương | Bí mật | 3 |
| Trung Đông | Bảo mật | 2 |
| Đông Á | Bảo mật | 18 |
| Tây Âu | Bảo mật | 12 |
| Trung Mỹ | Bảo mật | 5 |
| Nam Á | Bảo mật | 6 |
Thị trường trong nước | Bảo mật | 7 |
Sử dụng sản phẩm
Mục đích chính của ốc vít Eyebolt là để đạt được sự nâng cao an toàn và kết nối ổn định của các vật nặng. Trong sản xuất công nghiệp, nó được sử dụng để nâng các bộ phận cơ học lớn lên các vị trí được chỉ định để lắp ráp hoặc bảo trì; Trên các công trường xây dựng, nó được sử dụng để nâng chính xác các vật liệu xây dựng khác nhau lên sàn xây dựng. Trong cuộc sống hàng ngày, nó cũng có thể được sử dụng để nâng các vật nặng như đồ nội thất và thiết bị. Bằng cách hợp tác với các thiết bị nâng như cần cẩu, vít Eyebolt trở thành một đầu nối chính để đạt được sự dịch chuyển của các vật nặng.