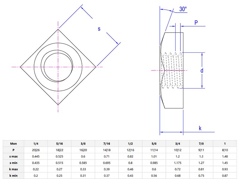
Cáchoàn thành bình phương nutlà một dây buộc cơ bản, không rườm rà với các sợi lớn (cao độ thô) và hình vuông. Bề mặt thô của nó, thường được mạ oxit kẽm hoặc màu đen, chống lại rỉ sét và xử lý các công việc khó khăn.

Nếu bạn cần sử dụng bu lông trong môi trường khắc nghiệt, thì bạn có thể chọnkết thúc hạt thô. Bề mặt thô của nó cũng giữ tốt hơn trong môi trường bẩn hoặc nhờn, giảm độ trượt trong khi siết chặt. Các đai ốc vuông có thể được khóa tại chỗ với cờ lê hoặc kìm. Nó phù hợp cho máy móc, thiết bị nông nghiệp hoặc xây dựng. Không có lớp phủ lạ mắt, chỉ cần thép cơ bản, dễ dàng xử lý sử dụng cường độ cao.
Cơ học sửa chữa xe tải hoặc máy kéo cũ thường sử dụngkết thúc hạt thôĐối với các bu lông rỉ hoặc mòn. Bề mặt thô thích nghi với các sợi bị hư hỏng tốt hơn các hạt được đánh bóng, và hình dạng vuông đã giành được vòng tròn dưới mô -men xoắn nặng. Tuyệt vời cho hệ thống ống xả, sửa chữa khung gầm, hoặc bất cứ thứ gì tiếp xúc với dầu mỡ và bụi bẩn. Chỉ cần quay nó xuống và tiếp tục làm việc.
Khi nông dân sửa chữa máy cày hoặc thiết bị thủy lợi, họ thường sử dụngkết thúc hạt thôBởi vì nó dễ vận hành. Bề mặt thô có thể xử lý bụi bẩn và bụi bẩn một cách hiệu quả để ngăn chặn tắc nghẽn. Các đai ốc vuông có thể được cố định trong không gian chật hẹp. Ngay cả với găng tay, nó có thể dễ dàng cài đặt chỉ bằng các công cụ cơ bản. Lý tưởng để sửa chữa nhanh chóng mà không có thời gian chết.

| Chợ |
Tổng doanh thu (%) |
| Bắc Mỹ |
15 |
| Nam Mỹ |
10 |
| Đông Âu |
12 |
| Đông Nam Á |
10 |
| Trung Đông |
7 |
| Đông Á |
17 |
| Tây Âu |
15 |
| Nam Á |
6 |
| Thị trường trong nước |
8 |
Kết thúc hạt thôcó chi phí bảo trì thấp. Kiểm tra xem chủ đề có bị gỉ hay rơi trong quá trình sử dụng không. Nếu lớp phủ được mòn, thay thế nó. Nếu đai ốc ở trong môi trường muối, hãy bôi mỡ chỉ. Tránh thắt chặt quá mức. Chủ đề dày rơi ra dễ dàng hơn các chủ đề tốt.